2. 四川大学 电气工程学院,四川 成都 610065
2. College of Electrical Eng., Sichuan Univ., Chengdu 610065, China
因环境、材料、荷载等因素的耦合作用,重大土木工程不可避免地产生结构或系统的损伤累积和抗力衰减,混凝土作为使用最为广泛的结构材料,其损伤检测或监测是工程质量检查与结构健康监测的重要研究领域。传感器是实施检测或监测的核心元件,传统方法均需在被测对象内部嵌入或外部附着专门的传感元件,从而导致监测区域依赖于传感元件的布置,无法实现分布式监测,易造成监测盲区,更难以实施损伤动态演化过程的监测。因此,研究一种使用寿命长,结构和传感元件一体,且全构件分布的监测传感器,对促进混凝土结构健康监测技术的发展具有一定的意义。
混凝土等水泥基材料由大量相互之间存在很强作用的粒子组成,在外界因素(作用物理量),如应力、电场、磁场等的作用下,体系中微观粒子的状态有可能发生变化,在宏观上表现为感应物理量,其性质与大小因材料的不同而不同,主要取决于材料的本性。通常材料的作用物理量与感应物理量之间具有一定的关系,压电常数、电导率、电极化率、柔性系数等材料本征参数即用以表征两者之间的关系。介电材料对外电场响应主要分为电传导和电极化两种方式,可以用两个独立的电磁特性参数表征,即复磁导率和复介电常数。材料组分及内部结构不同,就会呈现不同的电磁特性,会有不同的电磁波传播和传输模式,分析材料的电磁波传输、传播特性,可以解析材料内部结构特性及其变化。
电磁波传播规律检测技术的应用主要为探地雷达,其应用范围从最初的高速公路路面地基评估至结构工程的桥墩检测[1],广泛应用于各种材料的介电或电导率性能测试[2],在混凝土介电特性分析模型、介电参数测量等方面取得了系列成果。典型的同轴电缆是一种信号传输线,结构如图1所示,从内至外由内、外导体和中间介质组成,自20世纪80年代末,学者开始探索将其应用于工程检测或监测[3]。近年来,利用同轴电缆原理测试混凝土等介电材料的介电参数吸引了研究者的兴趣[4-5]。为提高同轴电缆传感器准确感知裂缝等缺陷信息的能力,发展了时域–频域反射计,在测试装置、算法、计算模型、校准、反演计算及误差评价等方面均取得了丰硕的成果[6-7]。此外,李碧雄等[8-9]利用交流阻抗谱的方法探究了带预设裂缝水泥净浆及水泥砂浆试件阻抗谱的差异,以及混凝土受力过程中的交流阻抗谱特性,发现交流阻抗特性与裂缝几何尺度存在量化关系,与混凝土的受荷状态亦存在对应关系,证明了水泥基材料的力学性能与电学性能之间存在强相关性。
![]() |
| 图1 同轴电缆截面结构示意图 Fig. 1 Schematic diagram of coaxial cable cross section |
借鉴分布式同轴电缆的探测原理[10-12],利用钢筋混凝土构件中的钢筋作为传输导体,混凝土作为绝缘体,根据钢筋水泥净浆构件变形损伤过程中混凝土材料阻抗特性和介电常数变化所导致的传输特性和电磁特性的变化,实施混凝土内部变形或裂缝监测。该方法使得混凝土材料成为智能自感应材料,具备监测自身参数的传感能力,其传感寿命等于结构寿命,可对混凝土进行全过程监测,其传感范围包括混凝土组成的任何部分,可实现对混凝土自身任何部位的测量,以期实现钢筋水泥净浆的结构功能和自我检测功能于一体。
1 试验方案和简化理论模型 1.1 智能同轴钢筋水泥净浆构件的设计基于普通钢筋水泥净浆混凝土梁柱构件的结构组成特点,利用水泥净浆替代混凝土,参照同轴电缆的结构特征,将外缘6根纵筋和箍筋形成的钢筋笼作为外导体,在构件中心增设一根钢筋作为内导体,中间的水泥净浆视为同轴电缆中的电介质,即设计出基于同轴电缆结构的混凝土构件,本文称为智能同轴钢筋水泥净浆构件(reinforced cement paste coaxial component,RCPCC),其结构组成如图2所示。同轴电缆用于信号传输时,内导体进行信号的传输,外导体既作为传输回路的导线,又起屏蔽作用,水泥基材料作为电介质影响着电缆的驻波、衰减、特性阻抗等性能。一方面,将RCPCC中的钢筋笼内、外导体视为两个电极,研究两个电极之间水泥净浆的介电特性;另一方面,借用同轴电缆的传输原理研究水泥基材料的高频传输特性。
![]() |
| 图2 智能同轴钢筋水泥净浆构件示意图 Fig. 2 Schematic diagram of reinforced cement paste coaxial component |
1.2 损伤RCPCC的电路模型 1.2.1 同轴构件总阻抗理论模型的构建
若忽略构件水泥净浆保护层的影响,假设水泥净浆为均质连续各向同性材料,根据同轴构件的几何结构特点,将其沿长度方向等分为n部分,如图3所示,每部分长度设为
![]() |
| 图3 同轴构件微分图 Fig. 3 Differential diagram of coaxial member |
![]() |
| 图4 水泥净浆Pij元件示意图 Fig. 4 Diagram of Pij element for cement paste |
![]() |
| 图5 切片单元Pi的等效电路图 Fig. 5 Equivalent circuit diagram of section unit Pi |
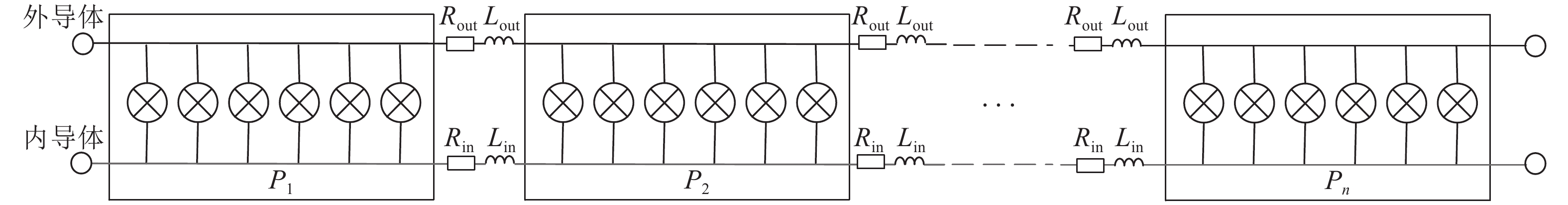
同时,相邻切片之间通过内外导体连接,内导体为一根纵向钢筋,外导体为6根钢筋并联组成,连接切片的每根纵筋均可等效为一个片间纵筋的电阻和片间纵筋的电感的串联,如图6所示。
![]() |
| 图6 同轴构件的几何电路模型 Fig. 6 Geometric circuit model of a coaxial member |
![]() |
| 图7 同轴构件的电路模型 Fig. 7 Equivalent circuit of coaxial member |
为不失一般性,设导体片间长度
| ${R_{\rm in}} = \frac{{{\rho _{20}}}}{A}\Delta l = \frac{{4 \times 9.78 \times {{10}^{ - 8}}}}{{\text{π} \times {{0.006}^2}}} \times 1 \times {10^{ - 5}} = 0.034 \times {10^{ - 3}}\;\Omega $ | (1) |
式中,
| $ {L_{\rm in}}\! \!=\!\! 2\Delta l\left(\!\ln \;\frac{{4\Delta l}}{d}\! - \!0.75 \!+\! \frac{d}{{2\Delta l}}\!\right) \!\times \!{10^{ - 7}}\!=\! 5.88 \times {10^{ - 10}}\;{\rm{H}}\!\!\!\!\!\!\!\! $ | (2) |
由于LC串联,则内导体片间阻抗为:
| $\begin{aligned}[b] {{\textit{Z}}_{\rm s}}\! =\! &{R_{\rm in}}\! +\! \omega {L_{\rm in}}\! =\! 3.46 \times {10^{ - 8}} +2\text{π} \times 1\;000 \times\\ & 5.88 \times{10^{ - 10}} = 3.72 \times {10^{ - 6}}\;\Omega \end{aligned} $ | (3) |
式中,
![]() |
| 图8 同轴构件的简化等效电路图 Fig. 8 Simplified equivalent circuit diagram of coaxial member |
1.2.2 损伤元件电参数表达式的建立
构件受力产生裂缝后,其总阻抗会随损伤程度发生相应变化[13-14]。另一方面,对单个
根据阻抗谱分析理论[15-17],将水泥净浆视为均匀的各向同性固体电解质,其阻抗可等效为Randles电路模型[18],见图9。其中:
![]() |
| 图9 Randles等效电路模型 Fig. 9 Equivalent circuit model of Randles |
据此,有损伤
| ${{\textit{Z}}_k} = {{\textit{Z}}_1} + {{\textit{Z}}_2}$ | (4) |
根据Randles等效电路,得:
| ${{\textit{Z}}_{\rm{2}}} = \frac{{\rm{1}}}{{\dfrac{{\rm{1}}}{{{R_{\rm ct}}}} + j\omega {C_{\rm dl}}}} = \frac{{{R_{\rm ct}} - \omega {C_{\rm dl}}R_{\rm ct}^2j}}{{1 + {\omega ^2}C_{\rm dl}^2R_{\rm ct}^2}}$ | (5) |
将式(5)代入式(4)得到阻抗
| $\begin{aligned}[b] {{\textit{Z}}_k} = &{R_{\rm c}} + \frac{{{R_{\rm ct}} - \omega {C_{\rm dl}}R_{\rm ct}^2j}}{{1 + {\omega ^2}C_{\rm dl}^2R_{\rm ct}^2}} =\\ & {R_{\rm c}} + \frac{{{R_{\rm ct}}}}{{1 + {\omega ^2}C_{\rm dl}^2R_{\rm ct}^2}} - \frac{{\omega {C_{\rm dl}}R_{\rm ct}^2}}{{1 + {\omega ^2}C_{\rm dl}^2R_{\rm ct}^2}}j \end{aligned} $ | (6) |
由此得到每一切片单元中
| ${{\textit{Z}}_{ij}} = {R_{\rm c}} + \frac{{{R_{\rm ct}}}}{{1 + {\omega ^2}C_{\rm dl}^2R_{\rm ct}^2}}$ | (7) |
| ${X_{{C_{ij}}}} = - \frac{{\omega {C_{\rm dl}}R_{\rm ct}^2}}{{1 + {\omega ^2}C_{\rm dl}^2R_{\rm ct}^2}}$ | (8) |
由
| ${C_{ij}} = \frac{{1 + {\omega ^2}C_{\rm dl}^2R_{\rm ct}^2}}{{{\omega ^2}{C_{\rm dl}}R_{\rm ct}^2}} = {C_{\rm dl}} + \frac{1}{{{\omega ^2}{C_{\rm dl}}R_{\rm ct}^2}}$ | (9) |
其中,界面电容
| ${C_{\rm dl}} = \frac{{{\rm d}q}}{{{\rm d}\varphi }} = \frac{{2\text{π}{\varepsilon _0}{\varepsilon _{\rm r}}}}{{\ln(D/d)}}$ | (10) |
式中:
当
每个水泥净浆
| $ \begin{aligned}[b] {R_{\rm s}} =& \frac{1}{{a\dfrac{1}{{{R_0}}} +\displaystyle \sum\limits_{k = 1}^b {\frac{1}{{{R_k}}}} }} = \frac{1}{{a\dfrac{1}{{{R_0}}} + b\dfrac{1}{{R_0'}}}}=\\ & \frac{{{R_0}}}{{a + b\left(\dfrac{{{R_0}}}{{R_0'}}\right)}} > \frac{{{R_0}}}{{a + b}} = {R_{{\text{无损}}}} \end{aligned} $ | (11) |
| $ \begin{aligned}[b] {C_{\rm s}} = &a{C_0} + \sum\limits_{k = 1}^b {{C_k}} = a{C_0} + bC_0'=\\ &(a + b) {C_0} - b({C_0} - C_0') < (a + b){C_0} = {C_{{\text{无损}}}} \end{aligned} $ | (12) |
随着损伤比
另一方面,基于同轴电缆结构的传输原理,研究在一定频率下的复杂周期性振荡中,RCPCC构件的基波峰值随裂缝发展的变化情况。在加载过程中内部裂缝越宽、数量越多,对电磁波传输的阻碍作用就越小,基波峰值越高,故可以通过基波峰值的变化判断裂缝存在与否或其发展状态。
1.3 试件设计和制作为验证上述理论模型的正确性,设计并制作一组两个水泥净浆同轴圆柱体构件,编号A1、A2。构件直径100 mm,长600 mm,剪跨比约为3。水泥净浆的水灰比为0.36,采用西南牌42.5普通硅酸盐水泥和普通自来水,试件的模具采用内径100 mmPVC管道,纵筋和箍筋均为HPB300的钢筋,纵筋直径6 mm,箍筋直径1.4 mm、间距50 mm。每个试件的钢筋布置如图10所示。将成型后的钢筋笼放置于PVC管道模具中,浇筑水泥净浆,在温度为(20±1)℃、相对湿度>90%的环境中养护成型。
![]() |
| 图10 水泥净浆同轴试件示意图 Fig. 10 Schematic diagram of cement paste coaxial test piece |
试件不仅需满足力学性能要求,还需满足电学方面的传输要求,如图11所示,需采取如下措施:
![]() |
| 图11 试件成品示意图 Fig. 11 Schematic diagram for specimen products |
1)对纵筋与箍筋接触处进行打磨、焊接,并利用万用电表检查,以确保钢筋笼的纵筋两两通路;
2)待试件终凝后,将试件梁端外露纵筋分别用铜丝箍起来,并用焊锡施焊以保证通路,内导体钢筋端部加焊铜钩;
3)将试件置于室温下养护75 d后进行力学加载试验。
1.4 试验流程及方法上述试件不仅可以考察其弯剪过程中的力学行为,同时通过构建的交流电路,可探究其弯剪过程中的电学行为。为测得弯剪破坏过程中的RCPCC构件的交流电路参数的变化,采用日置公司生产的IM3536LCR测量仪进行测量,可直接量测读取待测物体的串联阻抗值(
![]() |
| 图12 试验装置连接示意图 Fig. 12 Diagram for test devices connection |
![]() |
| 图13 测试装置图 Fig. 13 Diagram for test device |
2 试验结果及分析 2.1 弯剪破坏现象
所施加荷载较小时,RCPCC构件处于弹性阶段,此时无宏观可见裂缝发生,如图14(a)所示。随着荷载增大,试件在剪力和弯矩的共同作用下,主拉应力超过水泥净浆的抗拉强度,开始出现斜裂缝,如图14(b)所示。荷载继续增加,斜裂缝迅速延伸,形成一组贯穿斜裂缝,如图14(c)所示。此后斜裂缝宽度不断加大,构件承载力逐渐降低,其破坏形态如图14(d)所示。
![]() |
| 图14 试件破坏过程 Fig. 14 Failure process of specimen |
2.2 试验结果分析
为深入研究RCPCC在弯剪破坏过程中,不同的受力变形破坏阶段其交流电路参数的变化情况,按构件的变形破坏特征将其荷载–跨中挠度曲线大致划分为3个阶段:第Ⅰ阶段为从开始加载至构件即将开裂,第Ⅱ阶段为开裂后至峰值荷载点,下降段为第Ⅲ阶段。以下将从上述3个阶段来进行讨论。
2.2.1 交流电路参数的变化情况为对比分析同轴构件在弯剪过程中力学和电学行为,绘制其荷载–挠度曲线和各交流电路参数–挠度曲线,如图15所示。可以看出两试件在破坏过程的3个阶段中各参数的变化情况明显不同,第Ⅰ阶段变化较小,第Ⅱ阶段变化迅速,第Ⅲ阶段变化平缓,且两个试件对应的相同参数的变化情况基本一致,由此可见,RCPCC构件的电路参数串联阻抗值
![]() |
| 图15 A1、A2试件电路参数变化曲线 Fig. 15 Curves of A1 and A2 specimen circuit parameter variation curve figure |
第Ⅰ阶段:串联阻抗值
第Ⅱ阶段:
第Ⅲ阶段:阻抗
为研究同轴构件在弯剪过程中电磁波传输特性,将其荷载–挠度曲线和基波峰值–挠度曲线绘于图16。可以看出基波峰值
![]() |
| 图16 试件挠度–荷载–基波峰值关系 Fig. 16 Relationship between specimen displacement–load–fundamental peak |
在弯剪破坏过程中,构件内部裂缝发展会影响电磁波在构件中的传输。第Ⅰ阶段由于其内部裂纹尺度相当小,并未出现明显的宏观裂缝,对波的传输影响不明显,故所测基波峰值几乎没有变化。第Ⅱ阶段,由于裂缝快速发展,内外导体间介质的均匀性和连续性被破坏,同时空气的填充使相对介电常数明显降低,对波传输的阻碍作用减小,衰减程度降低,故基波峰值迅速上升。第Ⅲ阶段由于构件损伤发展趋于稳定,主裂缝完全贯穿,对波传输的阻碍作用不再继续降低,基波峰值增速也开始逐渐放缓,并趋于平稳。
3 结论和展望综合上述理论分析和试验研究,可形成以下结论和展望:
1)基于电磁学基本原理和RCPCC的结构特征,构建了RCPCC的等效电路模型,推导出了相关电路参数计算式。
2)RCPCC在弯剪过程中力学和电学行为具有本征的必然联系,用LCR测得同轴构件的串联阻抗值
3)在RCPCC中传输的电磁波的基波峰值变化过程与弯剪破坏过程亦存在对应关系。
4)钢筋水泥净浆损伤裂缝的发展会使构件的串联阻抗值
5)目前得到的理论模型只能粗略地反映各电参数的变化趋势,尚不能与试验结果一一对应,故有待进一步深入研究。
| [1] |
Bungey J H. Sub-surface radar testing of concrete:A review[J]. Construction and Building Materials, 2004, 18(1): 1-8. DOI:10.1016/S0950-0618(03)00093-X |
| [2] |
Soutsos M N,Bungey J H,Millard S G,et al. Dielectric properties of concrete and their influence on radar testing[J]. NDT & E International, 2001, 34(6): 419-425. DOI:10.1016/S0963-8695(01)00009-3 |
| [3] |
Dowding C H,Su M B,O’Connor K M. Measurement of rock mass deformation with grouted coaxial antenna cables[J]. Rock Mechanics and Rock Engineering, 1989, 22(1): 1-23. DOI:10.1007/BF01274117 |
| [4] |
Al-Qadi I L,Riad S M,Mostaf R,et al. Design and evaluation of a coaxial transmission line fixture to characterize portland cement concrete[J]. Construction and Building Materials, 1997, 11(3): 163-173. DOI:10.1016/S0950-0618(97)00034-2 |
| [5] |
Adousb M,Quéffélec P,Laguerre L. Coaxial/cylindrical transition line for broadband permittivity measurement of civil engineering materials[J]. Measurement Science and Technology, 2006, 17(8): 2241-2246. DOI:10.1088/0957-0233/17/8/026 |
| [6] |
Chen G,Mu H M,Drewniak J L,et al.Continuous coaxial cable sensors for monitoring of RC structures with electrical time domain reflectometry[C]//Proceedings of SPIE,2003,5057:410–421.
|
| [7] |
Stastny J A,Rogers C A,Liang C.Distributed electrical time domain reflectometry(ETDR) structural sensors:Design models and proof-of-concept experiments[C]//SPIE Smart Sensing,Processing,and Instrumentation,1993,1918:366–376.
|
| [8] |
Li Bixiong,Chen Jian,Mo Site,et al. AC impedance characteristics of cement paste blocks with crack of different length[J]. Journal of Building Materials, 2015, 18(4): 614-618. [李碧雄,陈剑,莫思特,等. 不同裂缝尺度下水泥净浆的交流阻抗特性研究[J]. 建筑材料学报, 2015, 18(4): 614-618. DOI:10.3969/j.issn.1007-9629.2015.04.014] |
| [9] |
Li Bixiong,Chen Jian,Mo Site,et al. Experimental study on crack detection to cement mortar based on AC impedance spectroscopy[J]. Journal of Sichuan University (Engineering Science Edition), 2014, 46(1): 167-171. [李碧雄,陈剑,莫思特,等. 基于交流阻抗谱法检测水泥砂浆裂缝试验研究[J]. 四川大学学报(工程科学版), 2014, 46(1): 167-171. DOI:10.15961/j.jsuese.2014.01.019] |
| [10] |
Chen Yunmin,Liang Zhigang,Chen Renpeng,et al. Time domain reflectometry property of defective coaxial cable and its applications[J]. Journal of Zhejiang University(Engineering Science), 2005, 39(1): 51-56. [陈云敏,梁志刚,陈仁朋,等. 有缺陷同轴电缆的时域反射特性及应用[J]. 浙江大学学报(工学版), 2005, 39(1): 51-56. DOI:10.3785/j.issn.1008-973X.2005.01.010] |
| [11] |
Tesche F M. A simple model for the line parameters of a lossy coaxial cable filled with a nondispersive dielectric[J]. IEEE Transactions on Electromagnetic Compatibility, 2007, 49(1): 12-17. DOI:10.1109/TEMC.2006.888185 |
| [12] |
Zhi Zhou,Tong Jiao,Peng Zhao,et al. Development of a distributed crack sensor using coaxial cable[J]. Sensors, 2016, 16(8): 1198-1198. DOI:10.3390/s16081198 |
| [13] |
Qiao Hongxia,Lu Chenggong,Li Qiong,et al. Experimental study on corrosion resistance of reinforced concrete based on different cementitious materials[J]. Bulletin of the Chinese Ceramic Society, 2018, 37(1): 25-34. [乔宏霞,路承功,李琼,等. 基于不同胶凝材料钢筋水泥净浆耐腐蚀性试验研究[J]. 硅酸盐通报, 2018, 37(1): 25-34. DOI:10.16552/j.cnki.issn1001-1625.2018.01.004] |
| [14] |
Ribeiro D V,Abrantes J C C. Application of electrochemical impedance spectroscopy (EIS) to monitor the corrosion of reinforced concrete:A new approach[J]. Construction and Building Materials, 2016, 111: 98-104. DOI:10.1016/j.conbuildmat.2016.02.047 |
| [15] |
Li Yan,Cai Yuebo,Ge Yan,et al. Electrochemical performance of active mortar cementitious materials via AC impedance spectroscopy[J]. Bulletin of the Chinese Ceramic Society, 2013, 41(2): 199-204. [李岩,蔡跃波,葛燕,等. 用交流阻抗谱研究活性砂浆胶结材料的电化学行为[J]. 硅酸盐学报, 2013, 41(2): 199-204. DOI:10.7521/j.issn.0454-5648.2013.02.12] |
| [16] |
Qian Peng,Xu Qianjun. Chloride permeability in cement-based materials based on DC/AC methods[J]. Journal of Tsinghua University (Science & Technol), 2018, 58(2): 198-203. [钱鹏,徐千军. 基于直/交流电试验方法的水泥基材料渗透性[J]. 清华大学学报(自然科学版), 2018, 58(2): 198-203. DOI:10.16511/j.cnki.qhdxxb.2018.25.003] |
| [17] |
Shi Meilun,Chen Zhiyuan. Study on the ac impedance of the pore structure of hardened cement slurry[J]. Journal of Building Materials, 1998, 1(1): 32-37. [史美伦,陈志源. 硬化水泥浆体孔结构的交流阻抗研究[J]. 建筑材料学报, 1998, 1(1): 32-37.] |
| [18] |
Alavi S M M,Mahdi A,Payne S J,et al. Identifiability of generalized randles circuit models[J]. IEEE Transactions on Control Systems Technology, 2017, 25(6): 2112-2120. DOI:10.1109/TCST.2016.2635582 |
| [19] |
Chen Jie. LCR meter and its application in impedance measurement[J]. Electronic Product Reliability and Environmental Testing, 2011, 29(3): 51-54. [陈杰. LCR测量仪在阻抗测量中的应用[J]. 电子产品可靠性与环境试验, 2011, 29(3): 51-54. DOI:10.3969/j.issn.1672-5468.2011.03.014] |
| [20] |
Chen Jian,Li Bixiong,Mo Site,et al.Investigation on crack detection to cement mortar by MT4090 LCR[J].Journal of Sichuan University (Engineering Science Edition),2014,46(Supp 2):76–80. 陈剑,李碧雄,莫思特,等.用MT4090 LCR测量仪检测水泥砂浆裂缝的试验研究[J].四川大学学报(工程科学版),2014,46(增刊2):76–80. |
| [21] |
Li Bixiong,Chen Jian,Mo Site. Preliminary study on change law of AC impedance characteristics of concrete during splitting tensile[J]. Journal of Sichuan University(Engineering Science Edition), 2016, 48(1): 23-28. [李碧雄,陈剑,莫思特. 混凝土劈拉过程中的阻抗参数变化规律初步研究[J]. 四川大学学报(工程科学版), 2016, 48(1): 23-28. DOI:10.15961/j.jsuese.2016.01.004] |
2019, Vol. 51


















