2. 广州中国科学院先进技术研究所,广东 广州 511458
2. Guangzhou Inst. of Advanced Technol., Chinese Academy of Sciences, Guangzhou 511458, China
面对愈加复杂的工业现场,多机协同作业已取代单机成为构建智能产线的研究热点[1]。通过实施有效的控制策略,降低工件所受内力,优化协同轨迹,提升作业稳定性,是多机协同控制的核心问题。
力控制策略包括位置/力控制与阻抗控制策略,位置–力混合控制判断各自由度的运动状态,分别施加位置或力控制策略[2]。Jankowski等[3]提出一种柔性机器人的位置–力混合控制策略,添加前馈环节来消除数控延时,采用鲁棒控制器提高轨迹追踪精度。Baigzadehnoe等[4]提出采用自适应模糊反推的控制方法,实现了两个机械手协同搬运同一刚体时的位置追踪。Jung等[5]引入自适应技术,将阻抗控制策略应用在未知动态环境,维持机器人动力学不确定时的鲁棒性。欧阳帆等[6]设定主机器人力误差为一个随机振荡信号,通过基于遗传算法寻优的阻尼比例微分控制方法,降低了14.8%的轴向力控制误差。Li 等[7]在阻抗控制框架下,采用神经网络学习算法,实现机器人对不确定肢体运动的实时追踪。综上所述,已有研究多对从动机器人施加控制策略,未充分考虑主动机器人的优化控制策略,同时并未涉及从机器人对主机器人的跟踪控制概念。
为此,采用双机器人主从协同控制模式,设计力/位主从协同的控制策略。提出主机器人采用基于理想位置元优化的模糊自整定位置控制,从机器人采用基于主机器人位置偏差的力元优化细菌觅食算法阻尼控制,由此搭建主从机器人实时参数追踪的双环反馈控制系统,提高主从模式下的双机协同性能,从而解决力/位控制中的参数优化问题。
1 结构与模型双机器人协同搬运模型如图1所示,采用主从协同控制模式,主从机器人的末端分别装载气动夹爪、主副夹爪夹持同一工件,执行往复搬运轨迹。O为工件的质心点,
![]() |
| 图1 双机器人协同搬运示意图 Fig. 1 Schematic diagram of dual-robot cooperative handling |
| ${\!\!\!\!\!\!\!\!\!\!\!\!\!\!\!\!\!\!\!\!\!\!\!\!\!\!\!\!\!\!\!\!{{{F}}} _0} = {{{{F}}} _1} + {{{{F}}} _2}$ | (1) |
| ${{ {{N}}} _0} = {{{{N}}} _1} + {{ {{F}}} _1} \times {l_1} + {{ {{N}}} _2} + {{ {{F}}} _2} \times {l_2}$ | (2) |
式中:
机构所受内力/力矩为主从机器人的输出合力/力矩。为保证夹持过程的稳定性,防止工件或机器人受损,需要施加力控制策略,减小工件受内力的冲击。
理想工况下,两个末端夹爪夹住工件时,机构没有任何相对移动,系统可视作从机器人刚体与夹持工件的主机器人刚体在传感器的环境机械阻尼中相互耦合[8]。腕力传感器用于测量从机器人末端夹爪笛卡尔坐标方向上的力与力矩。
依据图2所示的夹持关系,搭建机械阻尼系统动态模型如图3所示。
![]() |
| 图2 双机协同搬运的简化模型 Fig. 2 Simplified model of dual-robot cooperative handling |
![]() |
| 图3 机械阻尼系统模型 Fig. 3 Model of mechanical damping system |
由图3所示建立模型的动态力平衡方程:
主机器人端:
| ${\;\;\;\;\;\;\;\;f_1} = {k_{\rm{s}}}\left( {{x_1} - {x_2}} \right) + {b_{\rm{s}}}\left( {{{\dot x}_1} - {{\dot x}_2}} \right) + {m_1}{\ddot x_1}$ | (3) |
从机器人端:
| ${\!\!\!\!\!\!f_{\rm{s}}} = {k_{\rm{s}}}\left( {{x_1} - {x_2}} \right) + {b_{\rm{s}}}\left( {{{\dot x}_1} - {{\dot x}_2}} \right)$ | (4) |
式中:
在固定从机器人的情况下,设定主机器人末端的
已知环境约束,主机器人采用基于理想位置优化的控制策略。将实际位置反馈给期望位置,施加基于位置误差值的比例微分(PD)控制律,输出为力修正量。对主机器人的位置控制律表示为:
| $\left\{\!\!\!\! {\begin{array}{*{20}{l}} {{f_1} - {f_{\rm{d}}} = {k_{\rm{p}}}_{_x}{e_x} + {k_{\rm{d}}}_{_x}{{\dot e}_x}} , \\ {{e_x} = {x_{\rm{d}}} - {x_1}} \end{array}} \right.$ | (5) |
式中,
基于环境刚度和阻尼模型,从机器人须实时跟踪主机器人的实时运动状态,由此采用基于主机器人位置反馈信号的力优化控制策略。考虑到执行器末端的速度和位置参量,阻尼控制包含比例微分控制环节,通过期望作用力与实际从机器人作用力的误差值,将力误差反馈信号转换为从机器人末端的速度修正量。机器人腕部安装的力传感器可用于确定末端执行器与物体之间的相互作用力
| $\left\{\!\!\!\! {\begin{array}{*{20}{l}} {{{\dot x}_2} = {k_{\rm{p}}}_{_f}{e_f} + {k_{\rm{d}}}_{_f}{{\dot e}_f}} , \\ {{e_f} = {f_{\rm{d}}} - {f_{\rm{s}}} = {f_{\rm{d}}} - {f_2}} \end{array}} \right.$ | (6) |
式中,
主从机器人控制系统框图如图4所示,为双输入、双输出系统。
![]() |
| 图4 主从机器人控制系统框图 Fig. 4 Block diagram of master-slave cooperative control system |
主从机器人的控制策略:主从机器人均采用比例微分控制律,分别采用模糊控制规则和细菌觅食算法寻优,对各自的微分系数(
控制器输入量为主机器人期望位移
模糊控制属于智能控制范畴,是一种非线性控制策略[10]。采用模糊控制器的优势在于:位置偏移量误差是动态变化的被控量,模糊控制规则根据变化的被控量输出动态变化的控制参数,更加契合主机器人位置控制的准确度要求。
1)系统采用双输入、双输出的模糊控制器,输入语言量为位置误差
| $\left\{\!\!\!\! {\begin{array}{*{20}{c}} {{k_{{{\rm{p}}_x}}} = \Delta {k_{{{\rm{p}}_x}}} + {k_{{{\rm{p}}_{{x_0}}}}}} ,\\ {{k_{{{\rm{d}}_x}}} = \Delta {k_{{{\rm{d}}_x}}} + {k_{{{\rm{d}}_{{x_0}}}}}} \end{array}} \right.$ | (7) |
式中:
2)系统模糊控制器输入、输出语言值均取为“负大”(NB)、“负中”(NM)、“负小”(NS)、“零”(ZO)、“正小”(PS)、“正中”(PM)、“正大”(PB)7个[11]。
依据PD控制确定变量范围,设置输入变量的论域为
根据经验公式
3)模糊控制策略在PD控制的基础上进行参数修正,基于专家经验及基本整定原则[12],整理出控制规则见表1、2。
|
表1
|
![]() |
|
表2
|
![]() |
如图5所示,所得控制器参数与模糊控制规则封装进Simulink的模糊模块并保存为FUZZY2.fis,在下一步仿真分析中进行模块调用。
![]() |
| 图5 模糊控制器的封装 Fig. 5 Packaging of fuzzy controller |
4 细菌觅食算法PD参数寻优
细菌觅食算法(bacterial foraging algorithm,BFA)由Passino于2002年提出,具有群体智能算法并行搜索、易跳出局部极小值等优点[13]。但是传统细菌觅食算法步长固定,很难同时满足搜索速度与精度的要求。本文提出变步长的改进方法,在不增加迭代次数的基础上,可提高适应度函数的迭代精度。本文选取细菌觅食算法的目的在于为既定机器人工况选取与之对应的控制优化参数,以匹配不同的工况状态。
1)细菌觅食算法优化流程
a.趋化性步骤:任意细菌翻滚或游泳,向更优营养梯度移动。创建单位长度的方向向量
| $i\left( {{{j}} + 1,k,l} \right) = i\left( {{{j}},k,l} \right) + {{C}}\left( {{j}} \right) \times \left( i \right)$ | (8) |
b.群聚:目标细菌在趋化性操作后形成具有一定稳定性的高密度细菌集群体。
c.繁殖:在完成设定次数的趋化性操作后,细菌集到达繁殖阶段,细菌种群的大小为
d.消除与扩散:这是一种突然性小概率迁移行为。当一个问题的解空间存在多个极值点,算法易陷入局部极值,引入该操作可以提高算法的全局搜索能力。将迁移操作的概率设为
2)主要参数及选取依据
参数选取如表3所示。依据本文所述,需要对两个参数进行寻优,因此搜索维度为2。依据参数在常规方法中的取值结果,将初始取值设置为(0,100)和(0,50)。参照已知的双参数细菌觅食算法寻优的迭代流程,预设趋化次数为10,消除扩散次数为2,复制步骤数为4,繁殖数量为总细菌数的1/2。消除与扩散为小概率事件,因此消除扩散概率设置为0.1,由扩散概率细菌样本总数的乘积得到期望扩散细菌数。令期望的消除扩散值为2,由此将细菌总数设为20。由于是基于常规方法粗调参数的寻优算法,设置限制的游泳长度为5%~10%的预设区间最大值,此处取限制游泳长度为4。
| 表3 细菌觅食算法的主要参数 Tab. 3 Main parameters of BFA |
![]() |
3)步长改进方法
受种群代数更迭与适应度提高影响,细菌限制步长发生变化。前代细菌在趋化性操作后进行繁殖,次代细菌的步长须按一定比例因子进行缩进,以实现更高精度的微调寻优。对于步长改变的设定由算法迭代设细菌
| $ {{C}}\left( {:,k + 1} \right) = \left\{\!\!\!\! {\begin{array}{*{20}{c}} {0.9 \times {{C}}\left( {:,k} \right),k \le 3};\\ {0.9 \times {{C}}\left( {:,k} \right),k > 3} \end{array}} \right. $ | (9) |
步长改进的调参过程:首先,在基本细菌觅食算法上取步长缩进为25%,多次实验观察迭代结果。在第2次复制操作后,总是存在少量情况,有最小适应度显著小于未改进前。在第3、4次复制操作后,未存在更小适应度,虽最小适应度值不同,但结果相近。由此可得,25%的步长变化量过大,导致迭代过程多数时间无法达到最佳适应度函数区域,但是当步长缩进到75%时,确实可以提高寻优精度。据此,将步长缩进值设为10%,3次复制后步长为原步长的72.9%,与步长缩进为75%时相近,再次进行迭代。结果表明,此时有一半的细菌样本数达到最小适应度值。为在设置少量样本时提高达到最小适应度的样本比例,将最后1次步长设为前次步长的25%,再次进行实验。此时仅有1~2个样本迭代不收敛,考虑消除扩散操作存在0~2个少量样本脱离最佳营养梯度,未收敛样本数在合理范围内。
4)适应度函数的设计基于响应曲线
指标有误差绝对值
设计流程:首先,用MATLAB软件编写.m函数,求取阶跃响应曲线,表征上述性能指标。然后,设计适应度,即代价函数。函数的值越小表明适应度越高,即PD参数取值越优。设计的适应度函数具体为:
| $B{_{sj}} = \int\nolimits_0^3 {\left( {{\widetilde \omega _1}\left| {{e_f}} \right|} \right)} {\rm{d}}t + {\widetilde\omega _2}pos + {\widetilde\omega _3}{t_{\rm{c}}}$ | (10) |
式中:
由图4可知,在Simulink仿真过程中,主从控制器是相互联结的双环反馈控制器整体。
为便于阐述各优化方法的仿真效果,将主机器人的位置偏差输出信号采样保存为.mat文件,通过From Space模块传递给从机器人的控制器模块。由此将双环反馈控制器拆分为两个部分进行叙述。
5.1 MATLAB/Simulink仿真模型取从机器人的位置信号为期望位置信号(
| $f = {f_1} + {b_{\rm{s}}}{\dot x_{\rm{d}}} + {k_{\rm{s}}}{x_{\rm{d}}} = {m_1}{\ddot x_1} + {b_{\rm{s}}}{\ddot x_1} + {k_{\rm{s}}}{x_1}$ | (11) |
对式(11)进行拉氏变换得:
| $\frac{{{x_1}\left( s \right)}}{f} = \frac{1}{{{m_1}{S^2} + {b_{\rm{s}}}S + {k_{\rm{s}}}}} $ | (12) |
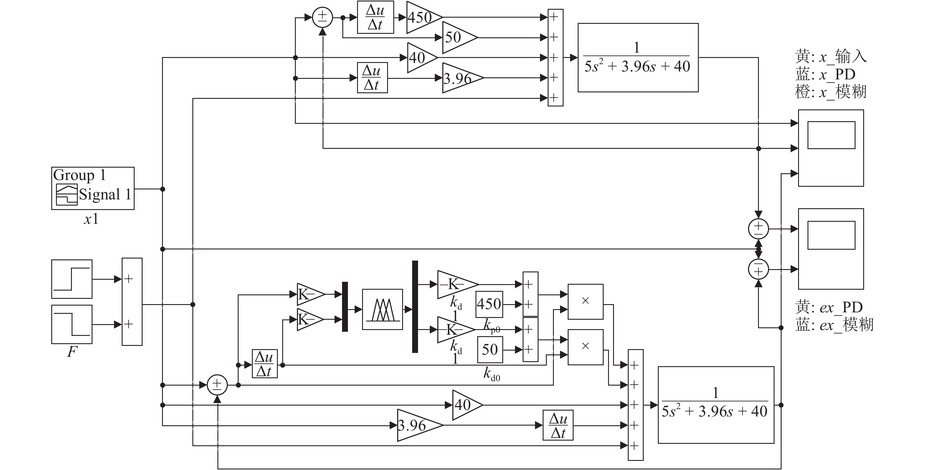
式(12)为主机器人的传递函数,其位置控制器的MATLAB/Simulink仿真模型如图6所示。
![]() |
| 图6 位置控制器仿真模型 Fig. 6 Simulation model of position controller |
由图6可知,模型包括常规控制与模糊自整定控制两种控制模块。右侧的示波器直接输出主机器人的期望位置信号、实际位置信号与位置误差信号,可直观比较两种方法的参数整定性能。
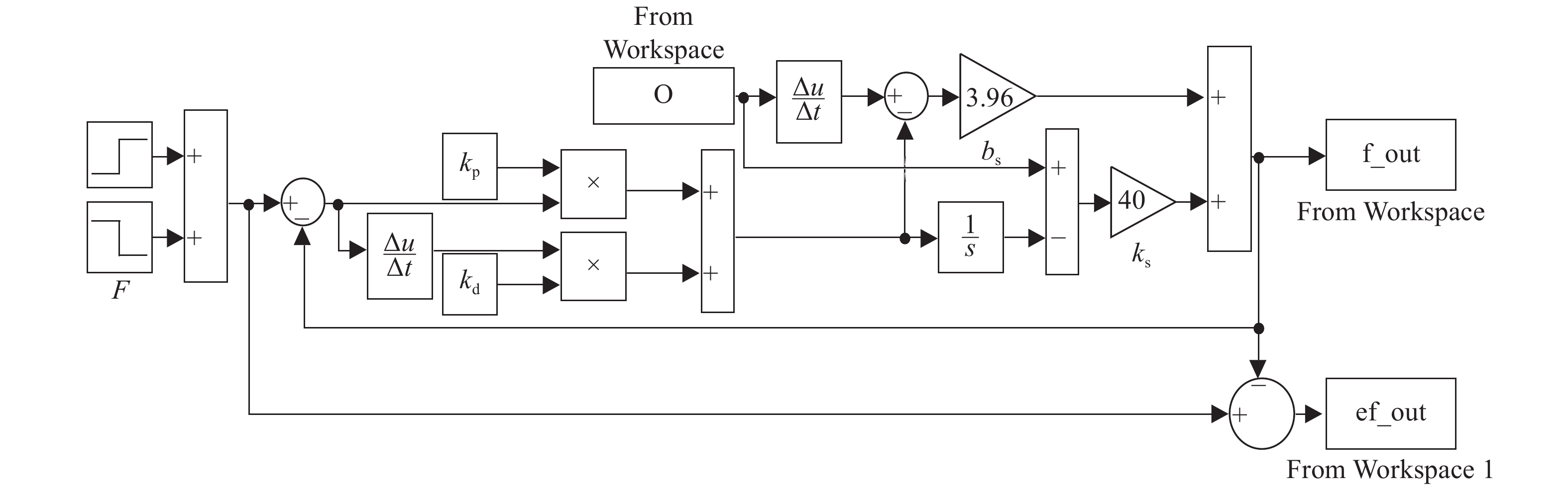
令主机器人位置控制器输出的位置误差值为
![]() |
| 图7 阻尼控制器仿真模型 Fig. 7 Simulation model of damping controller |
由图7可知,仿真模型通过From Workspace模块引入主机器人的实际位置误差信号
Simulink仿真进行3次,输入信号为:
| $ {\quad\quad\quad\quad x_{\rm{d}}} = \left\{\!\!\!\! {\begin{array}{*{20}{l}} {0,t \in \left[ {0,0.5} \right]};\\ {a\left( {t - 0.5} \right),t \in \left( {0.5,4.5} \right]};\\ {a\left( { - t + 8.5} \right),t \in \left( {4.5,8.5} \right]} \end{array}} \right. $ | (13) |
| $ {f_{\rm{d}}} = \left\{\!\!\!\! {\begin{array}{*{20}{l}} {0,t \in \left[ {0,0.5} \right]};\\ {b,t \in \left( {0.5,4.5} \right]};\\ { - b,t \in \left( {4.5,8.5} \right]} \end{array}} \right. $ | (14) |
式中,
输入信号模拟搬运过程中的匀速往返工况。主机器人的输入信号是匀速往返的期望位置信号,用三角波信号表示;从机器人的输入信号是维持匀速运动所需的期望力,用阶跃信号表示。
5.2 位置控制器的位置追踪位置控制器分别采用常规方法、模糊控制整定PD参数。输入不同的
图8为输出的位置追踪信号
| 表4 位置追踪性能指标 Tab. 4 Performance of position tracking |
![]() |
![]() |
| 图8 位置追踪信号特征曲线 Fig. 8 Characteristic curves of position tracking signal |
综合图8、表4可知,0.5~1.5 s和4.5~5.5 s时,位置追踪误差波动较大。相对常规PD控制,模糊控制器的最大位置误差量减少约50%,最大位置追踪误差小于2 mm。模糊控制器的信号达到稳态的调整时间更少,信号于最大波动后0.3 s内立即精确追踪输入信号,并且消除了误差零点附近的振荡。由此可见,模糊控制器的位置追踪效果优于常规PD控制。
5.3 阻尼控制器的力追踪阻尼控制器分别采用常规方法、优化细菌觅食算法整定PD参数。当a、b取不同值时,算法迭代的优化效果类似。
取
| 表5 力追踪性能指标 Tab. 5 Performance indicators of force tracking |
![]() |
![]() |
| 图9 力追踪误差特征曲线 Fig. 9 Characteristic curves of force tracking error |
1)在0.5~1.0 s和4.5~5.0 s处,力追踪误差波动较大。相对常规PD控制,细菌觅食算法(BFA)寻优的最大力追踪误差减少约40%,最大力追踪误差不超过0.04 N。细菌觅食算法通过惩罚函数优化反向力误差值,峰值误差后的振荡较为平缓,且有效消除了过零点振荡。越过大波动区域后,细菌觅食算法的力追踪效果与常规PD控制相似,均控制在0.01 N以内,并逐渐趋于稳态。
2)根据设计的适应度函数,运行细菌觅食算法优化前后的细菌分布对比如图10所示。
![]() |
| 图10 算法优化初始与结束阶段的细菌分布对比 Fig. 10 Distribution comparison of the bacterials at the initial and end stages of optimizing algorithms |
运行优化算法寻优6次,在均获得相同最小代价值
| 表6 适应度函数寻优结果 Tab. 6 Optimization results of fitness function |
![]() |
表6为6次迭代的寻优结果,
当
实际位移偏移
![]() |
| 图11 位移误差特征曲线 Fig. 11 Characteristic curve of correction error |
实际速度偏移量
1)采用主从协同的控制模式,提出力/位双环反馈的控制策略。该复合控制策略解决了位置–力控制的控制精度问题,提高了作业稳定性,契合实际工业领域的主从协同模式,为多机器人协同作业系统提供了有效的控制方法。
2)研究结果表明:在自适应控制优化方面,主机器人的最大位置误差为1.53 mm,从机器人的最大力误差为0.038 N。较常规PD控制,减少约40%的最大追踪误差,且有效消除力追踪过程中的过零振荡现象。在主从动态追踪性能方面,追踪位置误差控制在0.18 mm内,从机器人可在0.2 s内快速修正速度偏差,验证了理论方法的合理性与有效性。该方法有效消除了主机器人扰动偏移量对从机器人跟随运动的影响,显著提升了主从机器人间的动态追踪性能,具有一定的工程应用前景。
3)进一步地,将本文所述的单轴向力–位控制策略延伸至笛卡尔空间中力矩–转角控制策略,搭建综合的6维广义力–位控制系统。在后续实验研究中,面向复杂曲面冲压的双机器人协同作业工况,在双机器人作业平台上进一步验证6维广义力–位控制策略应对复杂工况的优越性。最终构建一整套轨迹平滑、运行稳定的双机器人搬运与冲压系统。
| [1] |
Wu Jun,Xu Xin,Lian Chuanqiang. A survey of recent advance in cooperative multi–robot systems[J]. CAAI Transactions on Intelligent Systems, 2011, 6(1): 13-27. [吴军,徐昕,连传强. 协作多机器人系统研究进展综述[J]. 智能系统学报, 2011, 6(1): 13-27. DOI:10.3969/j.issn.1673-4785.2011.01.002] |
| [2] |
Li Zhengyi.Research and application of robot force position control methods for robot-environment interaction[D].Wuhan:Huazhong University of Science and Technology,2011. 李正义.机器人与环境间力/位置控制技术研究与应用[D].武汉:华中科技大学,2011. |
| [3] |
Jankowski K P,Hoda A E. Inverse dynamics and feedforward controllers for high precision position/force tracking of flexible joint robots[J]. Robotica, 1994, 12(3): 227-241. DOI:10.1017/S0263574700017203 |
| [4] |
Baigzadehnoe B,Rahmani Z,Khosravi A. On position/force tracking control problem of cooperative robot manipulators using adaptive fuzzy backstepping approach[J]. Isa Transactions, 2017, 70: 432. DOI:10.1016/j.isatra.2017.07.029 |
| [5] |
Jung S,Hsia T C,Bonitz R G. Force tracking impedance control of robot manipulators under unknown environment[J]. IEEE Transactions on Control Systems Technology, 2004, 12(3): 474-483. DOI:10.1109/tcst.2004.824320 |
| [6] |
Ouyang Fan,Zhang Tie,Chen Yang. Genetic algorithm-optimized PD damping control of dual-robot coordinated transportation[J]. Journal of Shanghai Jiaotong University, 2016, 50(6): 879-883. [欧阳帆,张铁,陈杨. 基于遗传算法的双机器人协调搬运阻尼比例微分控制方法[J]. 上海交通大学学报, 2016, 50(6): 879-883. DOI:10.16183/j.cnki.jsjtu.2016.06.011] |
| [7] |
Li Y N,Ge S S. Force tracking control for motion synchronization in human-robot collaboration[J]. Robotica, 2016, 34(6): 1260-1281. DOI:10.1017/S0263574714002240 |
| [8] |
Kab I K,Zheng F Y. Two strategies of position and force control for two industrial robots handling a single object[J]. Robotics & Autonomous Systems, 1989, 5(4): 395-403. DOI:10.1016/0921-8890(89)90023-7 |
| [9] |
Zafer C,Goksu G,Murat L,et al. Effects on load-frequency control of a solar power system with a two-area interconnected thermal power plant and its control with a new BFA algorithm[J]. Issn Elektronika Ir Elektrotechnika, 2018, 24(6): 3-10. DOI:10.5755/j01.eie.24.6.22281 |
| [10] |
Shubhangi R,Hemant A. Comparative analysis among PI controller,PID controller and fuzzy logic controller for the speed control of induction motor[J]. International Journal of Enhanced Research in Science Technology & Engineering, 2013, 2(7): 39-46. |
| [11] |
Xu Xingzhi. The strategy of the self-turing fuzzy PID control applying on the robot control system[J]. Manufacturing Automation, 2008, 31(8): 105-107. [许行之. 自整定模糊PID控制策略在机器人控制系统中的应用[J]. 制造业自动化, 2008, 31(8): 105-107.] |
| [12] |
刘金琨.先进PID控制仿真[M].北京:电子工业出版社,2004.
|
| [13] |
Xu Zheng,Zhang Gong,Wang Weijun. The dual-mode control technology study of a multi-coil electro-mechanical converter based on bacterial foraging algorithm[J]. Journal of Integration Technology, 2016, 5(6): 72-78. [徐征,张弓,王卫军. 基于细菌觅食算法的多线圈电–机械转换器双模控制技术研究[J]. 集成技术, 2016, 5(6): 72-78.] |
| [14] |
Yang Dalian,Li Xuejun,Jiang Lingli. Improved algorithm of bacterium foraging and its application[J]. Computer Engineering and Applications, 2012, 48(13): 31-34. [杨大炼,李学军,蒋玲莉. 一种细菌觅食算法的改进及其应用[J]. 计算机工程与应用, 2012, 48(13): 31-34. DOI:10.3778/j.issn.1002-8331.2012.13.007] |
2020, Vol. 52



















