2. 河北省重型机械流体动力传输与控制实验室,河北 秦皇岛 066004;
3. 北京华德液压工业集团有限责任公司,北京 100176
2. Hebei Provincial Key Lab. of Heavy Machinery Fluid Power Transmission and Control, Qinhuangdao 066004, China;
3. Beijing Huade Hydraulic Industrial Group Co. Ltd., Beijing 100176, China
数字阀具有结构简单、抗污染能力强和维护方便等优点[1-2],且不易受温度、电磁干扰等外界环境的影响,可应用于航空航天、导弹发射系统、石油运输、汽车变速器和工程机械等领域[3-4]。数字阀分为高速开关式数字阀和增量式数字阀两种,高速开关式数字阀应用于液压系统时控制流量小且易造成压力冲击[5-6];增量式数字阀流量波动较小[7],虽然其动态性能受限于步进电机控制技术,但随着科学技术的发展,增量式数字阀在多个领域也具有较为广泛的应用潜力[8-9]。
增量式数字阀采用由脉冲数字调制演变而成的增量式控制方式,以步进电机作为转换器,驱动液压阀芯工作。现今,由于伺服阀和比例阀性能优于增量式数字阀,国内外诸多学者主要开展了伺服阀控缸系统和比例阀控缸系统的研究工作,主要研究了前馈补偿控制[10]、自抗扰控制[11]、滑模控制[12]及鲁棒控制[13]等控制方法,通过采用这些方法,系统的控制精度、动态响应速度和抗干扰能力都得到了较好的优化,控制效果良好。数字阀控缸系统的研究报道较少且以国内为主,朱家厅等[14]在传统PI控制的基础上,加入了前馈控制器,有效地改善了数字阀的动态性能;许文山等[15]对增量式数字阀的动静态工作特性展开研究,验证了其良好的控制特性及很强的系统匹配性;Wu等[16]提出一种基于数字阀位置跟踪系统的复合控制策略,提高了闭环位置跟踪系统的精度。
上述研究成果提升了数字阀控缸位置控制系统的控制精度,但主要针对控制算法的优化,未能深入分析步进电机转速、螺栓螺套结构导程等对系统动态性能的影响,也未能给出增量式数字阀结构优化建议,数字阀控缸位置控制系统数学模型仍有待进一步完善。随着科技的发展,增量式数字阀的可控性得到了一定的保障,又因其具有成本低和流量波动小等优势,应用前景日益广泛,在其结构改进和动态性能优化方面亟需开展更为深入的研究工作。
作者就增量式数字阀控缸位置控制系统建模及其动态性能优化开展研究工作。首先,设计一款增量式数字阀;其次,采用机理建模方法建立该增量式数字阀控缸位置控制系统模型;再次,基于MATLAB/Simulink仿真平台搭建其仿真模型,重点分析步进电机转速、螺栓螺套结构导程对系统动态性能的影响;最后,搭建增量式数字阀控缸位置控制系统实验平台,并进行动态性能的测试。
1 增量式数字阀工作原理本文增量式数字阀由作者与国内某公司合作研发,主要由步进电机、螺栓螺套结构、阀芯和阀套等部分组成,其机械结构示意图如图1所示。
![]() |
| 图1 增量式数字阀结构原理图 Fig. 1 Structure schematic diagram of incremental digital valve |
图1中,步进电机、电机端盖、阀体和端盖通过螺栓固连成一个整体,步进电机的转子和螺套通过螺钉固连,螺栓和阀芯通过圆柱销固连,限位螺钉和限位杆用于防止阀芯转动起限制作用。其具体的工作原理如下:当步进电机通电,控制器输出脉冲信号后,步进电机将脉冲信号转换为转子的旋转角度,转子带动螺套旋转,由于螺栓与阀芯通过圆柱销固定,此时由于螺纹副的作用,将步进电机的旋转角度转换为阀芯的位移变量,通过发出脉冲信号的数目和频率的不同,从而确定阀芯的不同位置和速度,实现油液流动方向和流量的控制。
2 增量式数字阀控缸位置控制系统数学建模 2.1 步进电机数学建模采用两相混合式步进电机,忽略步进电机的相间互感与磁滞效应,可得两相混合式步进电机a相绕组电压平衡方程为:
| $\begin{aligned}[b] {v_{\rm{a}}}(t) =& {R_{\rm{a}}}{I_{\rm{a}}}(t) + \frac{{{\rm{d}}{L_{\rm{s}}}{I_{\rm{a}}}(t)}}{{{\rm{d}}t}} = {R_{\rm{a}}}{I_{\rm{a}}}(t) + {L_{\rm{s}}}(\theta )\frac{{{\rm{d}}{I_{\rm{a}}}(t)}}{{{\rm{d}}t}} + \\ &{I_{\rm{a}}}(t)\frac{{\partial {L_{\rm{s}}}(\theta )}}{{\partial \theta }}\frac{{{\rm{d}}\theta }}{{{\rm{d}}t}} \end{aligned} $ | (1) |
式中,
由于步进电机中的磁芯造成很大的气隙,其可变磁阻对于所输出总力矩的影响可以忽略不计。
式(1)中,方程式为a相绕组电阻压降、由转子位置改变引起a相绕组中磁链变化而感应的电势和电流变化引起磁链变化而感应的电势(反动电势
反电动势可以用1个反应转子位置的正弦函数近似表达,如下:
| ${u_{\rm{a}}}(\theta ) = - p{\psi _{\rm{m}}}\sin (p\theta )\frac{{{\rm{d}}\theta }}{{{\rm{d}}t}}$ | (2) |
式中:p为磁极齿数;
步进电机电磁力矩分别由相电流、磁极之间的磁通量和对转子影响显著的定位力矩交互作用产生,其电磁力矩表达式为:
| ${T_{\rm{e}}} = - p{\psi _{\rm{m}}}\sin (p\theta ) - p{\psi _{\rm{m}}}\sin \bigg(p\theta - \frac{\text{π}}{2}\bigg) - {T_{{\rm{dm}}}}\sin (2p\theta )$ | (3) |
增量式数字阀机械传动系统由螺栓、螺套和阀芯等组成。根据动平衡原理,分别对其各部分进行动力学建模,并将基本物理量折算到螺套。
步进电机动力学方程为:
| ${T_0} = {J_0}\frac{{{{\rm{d}}^2}{\theta _{\rm{s}}}}}{{{\rm{d}}{t^2}}} + {B_0}\frac{{{\rm{d}}{\theta _{\rm{s}}}}}{{{\rm{d}}t}} + {T_1}$ | (4) |
螺套动力学方程为:
| ${T_1} = {J_{\rm{l}}}\frac{{{{\rm{d}}^2}{\theta _{\rm{s}}}}}{{{\rm{d}}{t^2}}} + {B_{\rm{l}}}\frac{{{\rm{d}}{\theta _{\rm{s}}}}}{{{\rm{d}}t}} + {T_{\rm{g}}}$ | (5) |
转矩的平衡方程为:
| ${\;\;\;\;\;\;\;\;\;J_{\rm{L}}}\frac{{{{\rm{d}}^2}{\theta _{\rm{s}}}}}{{{\rm{d}}{t^2}}} + {B_{\rm{L}}}\frac{{{\rm{d}}{\theta _{\rm{s}}}}}{{{\rm{d}}t}} + {T_{\rm{g}}} = {T_{\rm{L}}} = {T_0}$ | (6) |
机械传动系统输入角位移和输出角位移的关系为:
| ${T_{\rm{L}}} = {K_{\rm{L}}}\left[ {{\theta {\rm{_m}}} - {\theta _{\rm{s}}}} \right]$ | (7) |
式中:
其中,稳态液动力作为螺栓的轴向负载力,则螺栓负载和转矩的关系为:
| ${T_{\rm{g}}}\left( t \right) = \frac{{{P_{{\rm{h}}0}}}}{{2\text{π} \eta }}{F_{\rm{S}}} = \frac{{{P_{{\rm{h}}0}}}}{{2\text{π} \eta }}{K_{\rm{S}}}{x_{\rm{v}}}{\rm{ = }}\frac{{P_{{\rm{h}}0}^2}}{{4{\text{π} ^2}}}{K_{\rm{S}}}{\theta _{\rm{m}}}$ | (8) |
式中,
1)滑阀级流量方程
为了便于计算,将滑阀级等效为零开口四边滑阀,忽略液压缸内部流道和阀腔内部的压力损失,在此假设下,依据阀口流量方程,建立四通滑阀流量方程,对称液压缸左腔流量
| ${Q_1} = \left\{\! {\begin{array}{*{20}{c}} {{C_{\rm{d}}}W{x_{\rm{v}}}\sqrt {\dfrac{{2\left( {{p_{\rm{s}}} - {p_{\rm{l}}}} \right)}}{\rho }} ,{x_{\rm{v}}} \ge 0};\\ {{C_{\rm{d}}}W{x_{\rm{v}}}\sqrt {\dfrac{{2\left( {{p_{\rm{l}}} - {p_0}} \right)}}{\rho }} ,{x_{\rm{v}}} \le 0} \end{array}} \right.$ | (9) |
对称液压缸右腔流量
| ${Q_2} = \left\{\! {\begin{array}{*{20}{c}} {{C_{\rm{d}}}W{x_{\rm{v}}}\sqrt {\dfrac{{2({p_2} - {p_0})}}{\rho }} ,{x_{\rm{v}}} \ge 0}; \\ {{C_{\rm{d}}}W{x_{\rm{v}}}\sqrt {\dfrac{{2({p_{\rm{s}}} - {p_2})}}{\rho }} ,{x_{\rm{v}}} \le 0} \end{array}} \right.$ | (10) |
式中:
2)流量连续性方程
考虑液压缸泄露和油液压缩性,忽略管路压力损失和油液动态特性,假设液压缸工作腔内压力处处相等,根据流量连续性方程,可得液压缸左腔流量及容积为:
| $\left\{\! {\begin{array}{*{20}{l}} {{Q_1} = {A_1}\dfrac{{{\rm{d}}{x_{\rm{p}}}}}{{{\rm{d}}t}} + {C_{{\rm{ip}}}}\left( {{p_1} - {p_2}} \right) + \dfrac{{{V_1}}}{{{\beta _\varepsilon }}}\dfrac{{{\rm{d}}{p_1}}}{{{\rm{d}}t}}}, \\ {{V_1} = {V_{01}} + {A_1}{x_{\rm{p}}}} \end{array} } \right.$ | (11) |
右腔流量及容积为:
| $\left\{\! {\begin{array}{*{20}{l}} {{Q_2} = {A_2}\dfrac{{{\rm{d}}{x_{\rm{p}}}}}{{{\rm{d}}t}} + {C_{{\rm{ip}}}}\left( {{p_1} - {p_2}} \right) - {C_{{\rm{ep}}}}{p_2} - \dfrac{{{V_2}}}{{{\beta _\varepsilon }}}\dfrac{{{\rm{d}}{p_1}}}{{{\rm{d}}t}}}, \\ {{V_2} = {V_{02}} + {A_2}{x_{\rm{p}}}} \end{array} } \right.$ | (12) |
式中:
3)力平衡方程
增量式数字阀位置控制系统液压缸的动态特性受负载特性的影响,负载力包括惯性力、阻尼力、负载弹性力和外负载力,依据牛顿第二定律,可得力平衡方程为:
| ${A_1}{P_1} - {A_2}{P_2} = M\frac{{{\rm{d}}x_{\rm{p}}^2}}{{{{\rm{d}}^2}t}} + {B_{\rm{p}}}\frac{{{\rm{d}}x_{\rm{p}}^{}}}{{{\rm{d}}t}} + K{x_{\rm{p}}} + {F_{\rm{L}}} + {F_{\rm{f}}}$ | (13) |
式中:M为折算到液压缸活塞上的总等效质量,kg;K为负载刚度,N/m;
联立式(1)~(13),可建立增量式数字阀控缸位置控制系统框图如图2所示。
![]() |
| 图2 增量式数字阀控缸位置控制系统框图 Fig. 2 Block diagram of position control system for incremental digital valve-controlled cylinder |
依据所建立的增量式数字阀控缸位置控制系统框图,基于MATLAB/Simulink仿真平台,建立增量式数字阀控缸位置控制系统仿真模型。其中,步进电机模型采用Simulink模块库中提供的封装模型,本文通过所选择步进电机的技术参数对步进电机仿真模型进行设置[17-19],仿真模型中的相关参数如表1所示。
| 表1 增量式数字阀位置控制系统仿真模型参数及初值 Tab. 1 Simulation parameters and initial values |
![]() |
3 仿真分析与实验验证
利用第2.4节中搭建的增量式数字阀位置控制系统整体仿真模型在不同输入信号和不同结构参数下对其动态性能进行仿真分析,并搭建了位置控制系统实验平台进行实验验证。具体的实验计划如表2所示。
| 表2 实验计划 Tab. 2 Experimental plans |
![]() |
如表2所示,实验工况可分为以下3个部分:
第1部分:①到②分析不同阶跃量下的位置控制系统动态性能;第2部分:②到③分析步进电机不同转速下的位置控制系统动态性能;第3部分:④分析螺栓螺套结构的导程对位置控制系统动态性能的影响。
3.1 仿真分析![]() |
| 图3 不同工况下模拟响应曲线 Fig. 3 Simulate step responses under different working condition |
![]() |
| 图4 不同导程下的阶跃响应 Fig. 4 Step response with different lead |
由图3(a)和(b)可以看出,增量式数字阀控缸2和4 mm阶跃响应时间分别为598、751 ms,且均无超调。可见步进电机转速不变时,随着阶跃量的增大,阶跃响应时间增加。
在步进电机转速不同时,由图3(b)和(c)可以看出,增量式数字阀控缸4 mm阶跃响应时间分别为800和1310 ms,且均无超调。由此可见,当阶跃量不变时,随着步进电机转速降低,阶跃响应时间增加。
由图4可以看出:在转速为0.8 r/s时,输入相同量的阶跃信号,当增量式数字阀螺栓螺套机构导程为2、4和6 mm时,增量式数字阀控缸阶跃响应时间分别为298、175和130 ms;导程为2 mm时无超调,导程为4 mm时最大超调量为24.6%,导程为6 mm时最大超调量为39.7%。可见随着导程的增大,阶跃响应时间变短,超调量增加,当导程超过一定程度时,稳态时发生抖动,系统稳定性会变差。
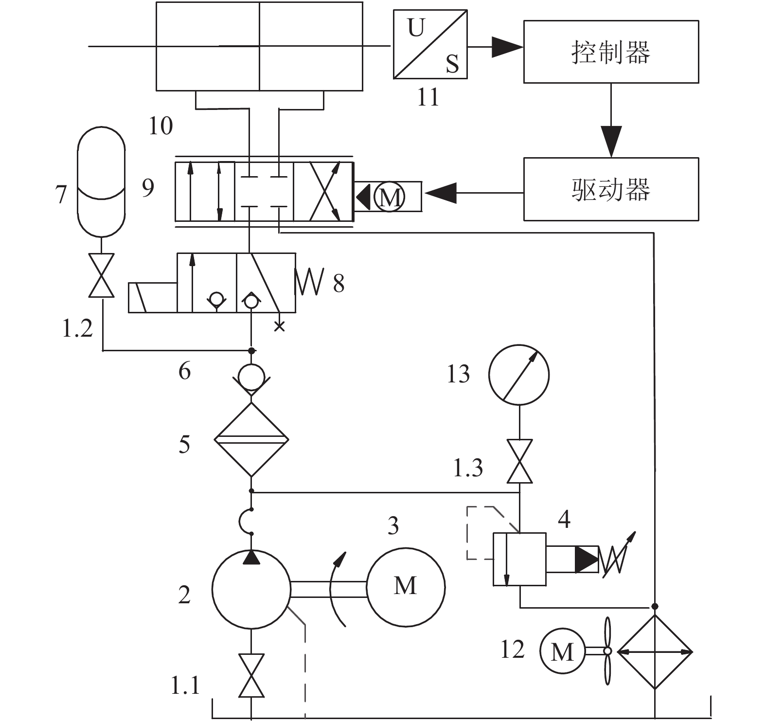
3.2 实验验证为了验证位置控制系统的可行性和所建立的仿真模型的准确性,搭建了增量式数字阀控缸位置控制系统实验平台,其原理如图5所示。
![]() |
| 1.1~1.3.截止阀;2.定量泵;3.电机;4.溢流阀;5.高压过滤器; 6.单向阀;7.蓄能器;8.电磁换向阀;9.增量式数字阀;10.伺服 对称缸;11.位移传感器;12.风冷却器;13.压力计。 图5 液压系统原理图 Fig. 5 Principle diagram of hydraulic system |
如图5可知其原理如下:利用控制器采集伺服缸位移传感器电压信号,与输入信号作比较;然后,输出不同频率的脉冲信号给驱动器,从而控制步进电机的转动角度和速度,改变阀芯位置,实现伺服缸的位置闭环控制。其中,溢流阀用于调节系统压力;两位三通换向阀用于控制子系统的通断;蓄能器用于稳定系统供油压力;伺服缸装有位移传感器用于实现位置闭环控制。
对表2所示的①到③工况进行实验验证,3种工况的位移响应曲线分别如图6所示。
![]() |
| 图6 不同工况下实验响应曲线 Fig. 6 Experimental step responses under different working condition |
由图6(a)和(b)可以看出,增量式数字阀控缸2和4 mm阶跃响应时间分别为532和707 ms,且均无超调,可见步进电机转速不变时,随着阶跃量的增大,阶跃响应时间增加。
在步进电机转速不同时,由图6(b)和(c)可以看出,增量式数字阀控缸4 mm阶跃响应时间分别为707和1402 ms,且均无超调,可见当阶跃量不变时,随着步进电机转速降低,阶跃响应时间增加。
综上可知,实验验证与仿真分析结果一致,响应时间略有偏差是由于仿真模型难以完全描述实际位置控系统全部特性,导致存在一定的偏差,但仿真得出的总体趋势与实验分析结果是一致的。由此可知采用本文建立的仿真模型进行定性分析,其结果是较为准确的。
通过对比仿真阶跃响应曲线可知:在实验阶跃响应曲线中,高转速(0.8 r/s)时,系统会有一段约0.1 s的延迟时间;低转速(0.4 r/s)时,系统会有一段约0.2 s的延迟时间。通过分析发现,仿真与实验产生延迟偏差的原因是被测试阀的预开口型式为负开口,阀芯与阀套间会存在约0.1 mm的死区,该死区会造成一定的延迟。
4 结 论建立的增量式数字阀位置控制系统数学模型,并在不同输入信号和结构参数下进行了仿真分析与实验验证。通过对仿真和实验结果进行分析得到如下结论:
1)相较于伺服阀和比例阀,增量式数字阀响应速度较慢,其原因在于步进电机与机械传动机构所组成的系统响应速度偏慢。若想提升增量式数字阀的响应速度,可尝试将步进电机替换为伺服电机或优化机械传动机构。
2)通过对仿真结果进行分析,得到螺栓螺套结构的导程对控制系统性能的影响规律,增大导程可明显提升增量式数字阀的响应速度,但易引起系统不稳定。未来对增量式数字阀进行结构设计时,应在保证系统稳定的前提下,选取合适的导程。
3)实验曲线相较于仿真曲线抖动较大,其原因在于螺栓螺套结构稳定性较差且受磨损影响大,需对其进行改良优化,以提高其稳定性,进而提高增量式数字阀的可靠性。
研究为数字阀的结构设计和性能优化提供了一定的理论和实验基础,后续将依据研究结论,从驱动电机类型、螺栓螺套结构的导程及闭环控制等方面,进一步改良样机并实验测试,以期使其位置控制系统达到更好的动态性能。
| [1] |
Yang Huayong,Wang Shuang,Zhang Bin,et al. Development and prospect of digital hydraulic valve and vale control system[J]. Journal of Jinlin University (Engineering and Technology Edition), 2016, 46(5): 1494-1505. [杨华勇,王双,张斌,等. 数字液压阀及其阀控系统发展和展望[J]. 吉林大学学报(工学版), 2016, 46(5): 1494-1505. DOI:10.13229/j.cnki.jdxbgxb201605017] |
| [2] |
Li T,Huang J,Bai Y,et al.Characteristics of a piloted digital flow valve based on flow amplifier[C]//Proceedings of 2015 International Conference on Fluid Power and Mechatronics (FPM).New York:IEEE,2015.
|
| [3] |
He Xiguang,Peng Likun,Ye Fan. Design and control strategy study of hydraulic actuator with incremental digital valve[J]. Hydraulics Pneumatics & Seals, 2015(3): 24-27. [何曦光,彭利坤,叶帆. 基于增量式数字阀的液压作动器设计及控制策略研究[J]. 液压气动与密封, 2015(3): 24-27. DOI:10.3969/j.issn.1008-0813.2015.03.006] |
| [4] |
Nerkar S S,Agashe S D.Modeling and simulation of digital control valve[C]//Proceedings of 2016 International Conference on Electrical,Electronics,and Optimization Techniques (ICEEOT).New York:IEEE,2016.
|
| [5] |
Zhao Jinsong,Zhang Chuanbi,Zhao Zining,et al. Static and dynamic characteristics of high-speed on-off digital valves[J]. China Mechanical Engineering, 2018, 29(2): 145-150. [赵劲松,张传笔,赵子宁,等. 高速开关数字阀的静动态特性[J]. 中国机械工程, 2018, 29(2): 145-150. DOI:10.3969/j.issn.1004-132X.2018.02.004] |
| [6] |
Zhuo Guirong,Wang Haixi.Modeling and simulation of high speed on-off valve based on AMESim[C]//Proceedings of 2011 International Conference on Electrical and Control Engineering.New York:IEEE,2011,2342–2346.
|
| [7] |
Song F,Lou J,Peng L.Structure optimization and characteristic research of the asymmetric cylinder controlled by the digital valve system[C]//Proceedings of International Conference on Intelligent Human-machine Systems & Cybernetics.New York:IEEE,2015.
|
| [8] |
Yao Yifan.Study on the incremental digital flow valve with ultrasonic motor[D].Kunming:Kunming University of Science and Technology,2017. 要一帆.基于超声波电机的增量式数字流量阀研究[D].昆明:昆明理工大学,2017. |
| [9] |
Xu Yangzeng,Li Daping,Chen Guoxian. Development and application of digital valve[J]. Fluid Power Transmission and Control, 2010(2): 5-9. [许仰曾,李达平,陈国贤. 液压数字阀的发展及其工程应用[J]. 流体传动与控制, 2010(2): 5-9. DOI:10.3969/j.issn.1672-8904.2010.02.002] |
| [10] |
Yu Bin,Ba Kaixian,Wang Dongkun,et al. Feedforward compensation control for hydraulic drive unit position control system[J]. Journal of Mechanical Engineering, 2018, 54(20): 159-169. [俞滨,巴凯先,王东坤,等. 液压驱动单元位置控制系统前馈补偿控制研究[J]. 机械工程学报, 2018, 54(20): 159-169. DOI:10.3901/JME.2018.20.159] |
| [11] |
Goforth F J,Gao Z.An active disturbance rejection control solution for hysteresis compensation[C]//Proceedings of American Control Conference.New York:IEEE,2008.
|
| [12] |
Kolsi–Gdoura E,Feki M,Derbel N.Position control of a hydraulic servo system using sliding mode with discontinuous surface[C]//Proceedings of 11th International Multi-Conference on Systems,Signals & Devices (SSD).New York:IEEE,2014.
|
| [13] |
He Y,Wang J,Hao R. Adaptive robust dead-zone compensation control of electro-hydraulic servo systems with load disturbance rejection[J]. Journal of Systems Science and Complexity, 2015, 28(2): 341-359. DOI:10.1007/s11424-014-2243-5 |
| [14] |
Zhu Jiating,Chen Zuxi,Ning Zhenlei. The dynamic characteristic research of digital valve based on feed-forward control[J]. Chinese Hydraulics & Pneumatics, 2016(1): 114-117. [朱家厅,陈祖希,宁振雷. 基于前馈控制器的数字阀动态性能研究[J]. 液压与气动, 2016(1): 114-117. DOI:10.11832/j.issn.1000-4858.2016.01.023] |
| [15] |
Xu Wenshan,Hu Beijing,Tian Jinyue. Application of incremental digital valve for main regulating control system[J]. Chinese Journal of Construction Machiner, 2014, 12(3): 238-242. [徐文山,胡北京,田晋跃. 增量式数字阀在DCT主调压控制系统中的应用[J]. 中国工程机械学报, 2014, 12(3): 238-242. DOI:10.3969/j.issn.1672-5581.2014.03.011] |
| [16] |
Wu Shoukun,Wang Junzheng,Xie Wen,et al.A compound control strategy for the digital valve based hydraulic position tracking system[C]//Proceedings of the 33rd Chinese Control Conference.New York:IEEE,2014.
|
| [17] |
Zhou Yifei.Simulation of stepper motor control system based on Simulink[D].Chengdu:Southwest Jiaotong University,2014. 周一飞.基于Simulink的步进电机控制系统仿真[D].成都:西南交通大学,2014. |
| [18] |
Huy H L,Brunelle P,Sybille G.Design and implementation of a versatile stepper motor model for Simulink’s simpower systems[C]//Proceedings of IEEE International Symposium on Industrial Electronics.New York:IEEE,2008.
|
| [19] |
Jabbar M A,Phyu H N,Liu Z,et al. Modeling and numerical simulation of a brushless permanent-magnet DC motor in dynamic conditions by time-stepping technique[J]. IEEE Transactions on Industry Applications, 2004, 40(3): 763-770. DOI:10.1109/tia.2004.827478 |
2020, Vol. 52










