Receiving-end Power Grid Black Start Technology and Coordinated Restoration Strategy Based on Wind-storage Combined System
-
摘要: 受端电网发生故障停电时要求送端电源具备黑启动能力,目前中国具有黑启动电源的主要为火电厂及水电厂。随着高比例的风电大量接入,电网要求风电机组具有一定的黑启动能力,但风能由于其不确定性和波动性导致风电机组很难单独参与黑启动。为使得风电机组具备较好的黑启动能力参与电网恢复,本文针对双馈风电场,提出了一种基于风储联合系统的受端电网3阶段协调恢复策略。初始阶段,通过储能装置建立交流频率和电压辅助风机顺利并网;中期阶段,切换储能装置控制模式并在风机转子侧设计虚拟同步控制为系统提供频率和电压支撑,并完成部分发电机组及负荷的恢复;后期阶段,在储能侧设计了基于H2/H∞的附加鲁棒控制器抑制多机组并网的低频振荡,实现受端电网平稳恢复。在PSCAD/EMTDC平台搭建了风储联合系统模型,并进行黑启动和电网恢复过程仿真。结果表明:提出的风储联合启动能够实现风机顺利并网;在厂用负荷和机组并网过程中采用切换储能控制方式能维持电压和频率在稳定范围内;在受端电网恢复及后期阶段,设计的鲁棒控制器对低频振荡有很好的抑制效果;相比常规控制,在系统启动恢复过程中采用的虚拟同步控制对系统的支撑能力更强。从而验证了本文所提风储联合系统参与受端电网黑启动的协调恢复策略的有效性和可行性。Abstract: When faults occur in the receiving-end power grid, the sending-end power supply is required to have black-start capability. At present, the existing black-start power sources in China are mainly thermal power plants and hydropower plants. With a high proportion of wind power enormously connected to the main grid, wind turbines are required to have a certain black-start capability. However, due to the uncertainty and volatility of wind energy, it is difficult for wind turbines to participate in black start alone. In order to make wind turbines have better black start ability to participate in power grid restoration, this paper proposed a three-stage coordinated recovery strategy for the receiving-end power grid based on the combined wind-storage system for doubly-fed wind farms. In the initial stage, the AC frequency and voltage were established through the energy storage device so that the wind turbine can smoothly connected to the main grid. Then, in the middle stage, the control mode of the energy storage device was switched and a virtual synchronous control was designed on the rotor side of the wind turbine to provide support of frequency and voltage for the system, and some generator sets and loads can recover. After that, in the later stage, an additional robust controller based on H2/H∞ was designed on the energy storage side, which can suppress the low-frequency oscillation when multiple units connected to the grid, so as to realize the stable recovery of the receiving-end power grid. Finally, a wind-storage combined system model was built based on PSCAD/EMTDC and the black start and restoration of power grid restoration was simulated. The simulation results show that the proposed joint startup of both wind turbine and energy storage can realize the smooth grid connection of wind turbine; In the grid connection process of plant load and generator, switching energy storage control mode of wind turbine can maintain the voltage and frequency of in the stable range; Moreover, in the stage of recovery and later operation of receiving power grid, the designed robust controller designed has a good effect on suppressing low-frequency oscillation; Compared with the conventional control modals, the virtual synchronization control adopted in the process of system startup and recovery has a stronger ability to support the system; Thus, the effectiveness and feasibility of the proposed coordinated restoration strategy of wind and energy storage system participating in the black start of the receiving power grid are fully verified.
-
目前在中国主要的黑启动方案中,通常选择水力发电厂或火力发电厂作为黑启动电源[1]。但如果在风能资源丰富的地区采用水电厂作为黑启动电源,恢复时间长并且可靠性大大降低。根据全球风能理事会统计,中国风电渗透率预计在2035年将达到15%左右[2]。由于风电自身的波动性和随机性[3],大规模的风电集中接入会使得电网惯性降低稳定性变差,弃风现象大量出现[4]。考虑到中国电力电子及电池等领域的快速发展以及电池储能的广泛应用,通过为风电场筹建大容量储能装置实现风电场的自由灵活控制,建立可控性强、运行方式灵活的风储联合系统成为目前新能源领域的重要发展方向[5-6]。
当前,针对风储联合系统的研究主要集中于利用储能平抑风电功率波动,减少其对系统频率稳定等的影响。汪海蛟等[7]通过分析目前已建成的平抑风电功率的储能系统,从储能系统类型、储能系统功率、等4个方面研究了储能系统平抑风电功率波动的可行性。蒋平等[8]研究了一种储能装置独立为风电机组进行补偿的模型,并在此基础上设计了储能电池与大电容的混合系统,利用该系统实现对系统频率的平抑效果。Li等[9]通过设计储能系统的控制方式以及储能系统的容量,提出了一种基于模糊逻辑的电池荷电状态(state of charge,SOC)控制方法,通过调节电池的SOC从而降低储能系统容量,提高平抑效果。可见,风储联合系统中的储能部分在电网正常运行时发挥着重要作用。但文献[7-9]主要研究储能系统对于正常运行状态下的风电机组的频率振荡平抑作用,并未涉及受端电网全黑后储能与风电机组配合参与黑启动的情况。
相比于正常运行,黑启动时系统特性及控制方式将发生较大变化。针对风储联合系统参与黑启动恢复策略方面,国内外主要从储能系统接线方式以及风电机组内部背靠背换流器控制方式两个方面展开。
在储能系统接线方面,Aktarujjaman等[10]提出一种将储能系统安装在双馈异步风力发电机(doubly fed induction generator,DFIG)直流母线侧为风电机组提供初始励磁的方案,从而实现了风电机组作为黑启动电源参与受端电网黑启动过程。该方案所需储能系统容量较小,具有一定的经济性,但此策略需要对每一台风电机组进行改造,实际应用较为困难。万玉良等[11]结合大良储能型风电场提出一种将储能系统外接在交流母线上为风电机组提供励磁的方案。相较于前者,后者所需的储能系统容量更大,但后者的优点在于可以应对电网停电时风电场正处于无风状态的情况。当风速较小甚至风速为0,风轮无法正常转动,则可直接利用储能系统作为受端电网黑启动电源。但该策略并未涉及储能与风电场的协调控制方法,无法确保在黑启动过程中储能系统与DFIG能够较好的配合,从而降低了黑启动过程的可靠性。
另一方面,从DFIG内部换流器控制策略上来看,当系统处于停电状态时,DFIG由于失去外部供电,其电压及频率缺乏支撑,若需要DFIG作为后续黑启动的电源,则应使DFIG在失去供电情况下具备自启动且为系统提供频率及电压支撑的能力。目前,DFIG转子侧控制策略包括下垂控制和虚拟同步控制。陈虹妃等[12]通过对比下垂控制和虚拟同步控制,说明虚拟同步控制在一些情况下较下垂控制具有更好的阻尼特性和频率稳定性。但并未对比两者在正常运行与受端停电情况下对系统频率影响的差别。虚拟同步控制的实质是通过模拟同步发电机的转子运动方程使得风电机组在系统功率波动时能够有效地提供频率和电压支撑[13]。虚拟同步控制最早由Visscher[14]及Zhong[15]等提出的Synchroconverter技术。张琛等[16]提出一种应用于弱交流系统的风机网侧换流器上的虚拟同步控制策略,但此方案不适用于黑启动场景。刘力卿等[17]将V/f 控制应用到双馈风电机组的转子侧换流器,通过引入下垂模块改变风电机组输出功率参考值
${P_{{\rm{wref}}}}$ 和${Q_{{\rm{wref}}}}$ ,实现对机组有功输出和无功输出的控制。朱凌燕等[18]采用了一种改进型的虚拟同步控制策略,通过在频率控制部分引入下垂系数提高了风电机组在黑启动过程中的频率支撑能力,并研究了不同下垂系数对电网频率支撑能力的影响。但上述文献均采用的是将储能系统连接在风机转子侧换流器的直流线路上,当系统全黑且风电场处于无风状态时,该方案无法完成受端电网黑启动的任务。通过对以上文献的分析,本文设计出为风电机组配备储能系统的风储联合系统。从风储联合系统黑启动具体步骤和系统结构及控制策略3个方面进行协调控制,提出在初始阶段利用系统中大容量的储能系统为风电机组提供励磁,建立直流电压的风储联合系统结构;黑启动中期采用改进型虚拟同步控制策略,提高风电机组在黑启动过程中的频率和电压支撑能力并实现储能系统控制策略的切换;黑启动后期设计一种附加鲁棒控制器,抑制黑启动过程中出现的振荡现象。最后,通过仿真验证了所提出的黑启动方案的可行性。
1. 风储联合系统的结构
1.1 外接储能型风电场结构
风能具有不确定性、波动性大等缺点,过去通常认为风电机组由于不具备自启动能力,所以无法成为黑启动过程的电源选择。但随着电力电子和风电技术的不断发展,风能的可控性逐渐提高,并且风力发电机拥有了调频调压的能力[19]。本文考虑将双馈风力异步发电机作为黑启动电源。
当DFIG作为黑启动电源时,需要外接电源为其提供励磁,建立DFIG直流电压。一般通过两种方式实现:一种是将外接电源安装在DFIG直流母线上;另一种是将储能系统外接在电网母线上。本文采用后者,因为后者具有响应速度快、功率和能量配置灵活等优势。图1所示的风储联合系统为能使风电场具有参与黑启动能力的外接储能系统。
在该系统中,外接储能系统为电网母线充电,并为风机提供初始励磁,建立风机的直流电压,帮助风机完成并网参与后续黑启动过程。风储联合系统主要由电池储能系统、风电场机组和无功补偿器等辅助设备构成。双馈异步风力发电机(DFIG)是目前国内外风电市场上的主流机型,其定子绕组直接与电网相连,而转子绕组则通过背靠背双PWM换流器与电网相连,转子绕组电源的频率、电压、幅值、相位按运行要求由换流器自动调节。电池储能系统主要包括了电池组、能量转换系统(power conversion system,PCS)及其控制系统。风电场内部的无功补偿器通常选择电容器组、静止同步补偿器(static synchronous compensator,STATCOM)、静止无功补偿器(static var compensator,SVC)等设备。
1.2 DFIG的基本结构
DFIG主要由风轮、传动齿轮系统、双馈发电机、背靠背双PWM换流器等构成,如图2所示。
风力发电机是利用风能驱动风轮转动,风轮从风能中吸收的功率Pm可表示为:
$$ {P_{\rm{m}}} = {\omega _{{\rm{wt}}}}{T_{{\rm{wt}}}} = \frac{{\rho {\text{π}}R_{{\rm{wt}}}^2{C_{\rm{P}}}(\lambda ,\beta )V_{\rm{wt}}^3}}{{2{P_{{{\rm{nom}}} }}}} $$ (1) 式中,
${P_{{\rm{nom}}}}$ 为风电机组的额定功率,$\;\rho $ 为空气密度,${R_{{\rm{wt}}}}$ 为风轮半径,${V_{{\rm{wt}}}}$ 为风速,${\omega _{{\rm{wt}}}}$ 为风轮的转速,${T_{{\rm{wt}}}}$ 为风轮输入传动系统的机械转矩,${C_{\rm{p}}}$ 为风能利用系数,λ、β分别为风轮的叶尖速比和桨距角。双馈异步风机并网和空载两种运行状态下的转子运动方程不变,转矩平衡方程及转子角方程可表示为:
$$ 2{H_{\rm{g}}}p{\omega _{\rm{r}}} = {T_{\rm{m}}} - {F_{\rm{g}}}{\omega _{\rm{r}}} - {T_{\rm{e}}} $$ (2) $$ p{\theta _{\rm{r}}} = \frac{{{\omega _{\rm{b}}}{\omega _{\rm{r}}}}}{{{n_{\rm{p}}}}} $$ (3) 式中,
${H_{\rm{g}}}$ 为DFIG转子的惯性时间常数,${F_{\rm{g}}}$ 为DFIG的阻尼系数,${\theta _{\rm{r}}}$ 为双馈异步发电机转子的瞬时位置角,$p$ 为微分算子,${\omega _{\rm{r}}}$ 为双馈发电机转子转速,${T_{\rm{m}}}$ 、${T_{\rm{e}}}$ 分别为发电机内部形成的机械转矩和电磁转矩,${n_{\rm{p}}}$ 为双馈发电机的极对数。黑启动过程中,由外接储能系统为风机出口处0.69 kV/35 kV变压器充电,通过双馈风机网侧换流器建立直流母线电压,并通过转子侧换流器调整发电机定子空载电压。待定子电压的幅值、频率和相角满足并网条件后将开关K闭合,风电机组由空载工作模式转为并网工作模式,完成储能系统启动风电机组的过程[20]。
1.3 储能系统基本结构
储能系统主要由电池系统、功率转换系统和辅助设备等构成,如图3所示。图3中,udc表示电池系统端口输出电压,S1~S6表示IGBT开关,R、L、C分别表示滤波器的内阻、电感和电容,N表示变压器标准变化,BS表示电池储能系统,a、b、c分别表示三相交流电的3个不同相。
目前主流的电池储能系统通常采用能量密度更高、安全性更好的磷酸锂铁电池,该种电池具有不易分解、性能良好等优点。由于单个电池电压低、能量密度有限,因此通常将多个电池单体串联形成电池系统[21],功率转换系统作为功率交换的载体连接了电池系统和外部电网,实现了能量的双向传递,电池系统可由等效电路模型表示,如图4所示。
图4中,
$E$ 为受控电压源,$R$ 为电池系统内阻,${U_{\rm{d}}}$ 、${I_{\rm{d}}}$ 分别为电池系统的端口电压和电流。假定$R$ 在运行过程中保持不变,则受控源电压$E$ 可表示为:$$ E = {E_0} - K\frac{{{C_{\max }}}}{{{C_{\max }} - {Q_{\rm{e}}}}} + A\exp ( - B \times Q{}_{\rm{e}}) $$ (4) 式中,
${E_0}$ 为内电势,${C_{\max }}$ 为电池容量最大值,${Q_{\rm{e}}}$ 为放电量,A、B、K为拟合参数,$A{\text{exp}}( - {B}\times{Q_{\rm{e}}})$ 为电池初始放电阶段的指数特性。黑启动过程中,电池系统为风机提供初始励磁,并建立稳定的母线电压和频率,为后续风机并网提供条件。
2. 风储联合系统黑启动技术
2.1 风储联合系统黑启动可行性分析
DFIG的并网模式通常采用空载并网,由外部电源为风机提供并网条件,在这种模式下风机能够有效地实现无缝并网。由于风机不具备参与黑启动的能力,当电网因故障停电,系统处于全黑情况时,需要外部电源为风电机组提供电压和频率支撑,并为内部设备供电,使风电机组达到并网要求,并通过改变风机转子侧控制方式,使风机具有电压和频率支撑能力,参与后续黑启动过程。而电池储能系统通过控制可实现端口零起升压,建立风机外部稳定电压和频率,以帮助风机完成并网。因此,通过外接电池储能系统,为风电机组供电,并带动风机启动,从而实现风储联合系统的自启动及后续黑启动过程的方案是可行的,即本方案在理论上具备自启动及黑启动能力。
2.2 黑启动恢复步骤
黑启动是指当停电全黑后,利用自身内部具有自启动能力的机组带动不具备自启动能力的电源,逐步恢复电网供电,最终实现整个电网的恢复[22]。整个电网的黑启动过程主要是以下3个步骤:
1)黑启动电源自启动过程。该阶段主要是黑启动电源的自启动。
2)线路恢复阶段。线路充电阶段主要是利用已启动的风电机组及内部设备稳定线路电压与频率,并在短时间内恢复线路供电,为后续全面恢复奠定基础。
3)受端系统恢复阶段。负荷恢复过程主要是利用已启动的电源,快速的恢复重要负荷,并在恢复过程中将系统频率、节点电压等维持在限值内,确保电网不会出线二次停电故障。
2.3 风储联合系统黑启动控制方式
本方案中,黑启动初期电网母线电压及系统频率由采用V/f控制的储能系统来维持,并利用储能系统对输电线路、风电场箱式变压器进行空载充电。当DFIG并网后,切换储能系统控制方式,此时由风电机组维持电网电压和频率。为了使风储联合系统能够在整个黑启动过程中保持稳定,防止出现电池储能系统过充现象,本文提出一种风储联合系统的孤网控制策略,具体如下:
1)在黑启动初期,图5中的储能设备采用V/f控制策略,通过将电压参考值
${U_{{\rm{Bref}}}}$ 和频率参考值${f_{{\rm{Bref}}}}$ 设置为1,将储能系统输出的电压和频率稳定为额定值,从而为系统提供稳定的电压频率支撑,维持有功与无功的平衡。2)在风电机组转子侧换流器采取虚拟同步控制,当储能系统切换控制方式,此时储能系统采用图6所示P/Q控制策略,由风电机组为系统提供电压和频率支撑。
虚拟同步控制模拟了同步发电机的特性使风电机组表现出电压源型输出,让风电机组具备参与黑启动的能力。风电机组网侧换流器采用常规控制中的电网电压定向矢量控制方法,以维持风电机组直流母线电压为控制目标。
3. 风储联合系统协同恢复策略
3.1 风储联合系统黑启动步骤
本方案用风电机组充当黑启动电源,但风电机组需要通过储能系统实现自启动及并网,因此利用风电机组和储能系统组成风储联合系统共同参与受端电网的恢复,设计方案如图7所示。
其主要步骤为:
1)辅助启动系统自启动过程。电池储能系统首先完成自启动,此时储能系统采取V/f 控制,由储能系统维持电网母线电压(35 kV)和频率(50 Hz)。
2)风电机组启动并网。储能系统建立风电机组外部稳定电压和频率,对风电机组内部的变压器进行空载充电,并为风电场内部设备供电及提供励磁电压。风电机组利用网侧换流器建立直流母线电压,利用转子侧换流器建立稳定的定子电压和频率,当定子电压、幅值、相位等满足并网条件后,将风机并入电网,实现风电场的启动。此时储能系统采用V/f 控制。
3)风电场内部电源及负荷的启动。利用已启动的风电机组建立风电场内部0.69 kV、50 Hz的电压与频率,并启动风电场内部的其余机组和负荷。此时储能系统采用V/f 控制。
4)储能系统控制模式切换。待风电场内部机组和负荷全部启动后,将储能系统的控制方式由V/f 控制切换为P/Q控制,在切换储能系统控制方式时,风电机组此时已经采用虚拟同步控制,具有模拟同步发电机的特性。因此,在切换控制的过程中,风电机组的频率和电压会出现较小的波动,随后在短时间波动后恢复稳定。
5)外部机组及负荷的启动。储能系统切换控制方式后,由DFIG维持电网各项指标的稳定,随后启动受端电网的火电机组。火电机组启动后可独立运行,也可与风储联合系统并列运行,以用于后续电网恢复。
3.2 DFIG虚拟同步控制
将虚拟同步控制应用于风电机组转子侧换流器。虚拟同步控制相较于下垂控制及V/f 控制的优势是通过模拟同步发电机的转子运动方程,使转子能够在系统有功功率出现波动,对外呈现电压源特性,但由于下垂控制及V/f 对外呈现出电流源特性,不符合黑启动过程对于黑启动电源特性的要求,因此在黑启动过程中,虚拟同步控制因模拟同步发电机特性对外类似电压源而具备参与黑启动的能力。
虚拟同步控制的旋转方程通过模仿发电机转子运动方程实现:
$$ P_{\rm{e}}^{{\rm{ref}}} - P_{\rm{e}}^{\rm{m}} = {T_{\rm{j}}}\frac{{{\text{d}}\omega }}{{{\text{d}}t}} $$ (5) 式中,
$P_{\rm{e}}^{{\rm{ref}}}$ 、$P_{\rm{e}}^{\rm{m}}$ 分别为电磁功率的参考值和测量值,${T_{\rm{j}}}$ 为转动惯量,$\omega $ 为转速。从式(5)可以看出,采用虚拟同步控制的逆变器可以在负荷、发电机等投切时通过改变转子转速来减小有功功率的不平衡,从而对频率起到良好的支撑作用。采用的虚拟同步控制如图8所示,包括频率控制、电压控制两个部分。图8中,1/s表示积分算法,D表示阻尼运行,m表示下垂控制运算,
$ 1/{J_\Delta } $ 表示惯量运算。1)频率控制。频率控制的目的是控制频率稳定,DFIG的虚拟转动方程、阻尼功率方程、转差角频率方程及转子角速度差方程如下:
$${\qquad ({\omega _{\rm{N}}} - {\omega _1})\frac{1}{m} + {P_{{\rm{ref}}}} - {P_{\rm{m}}} - {P_{\rm{D}}} = {J_\Delta }\frac{{{\text{d}}{\omega _0}}}{{{\text{d}}t}} }$$ (6) $$ {P_{\rm{D}}} = {D_1}({\omega _0} - {\omega _1}) $$ (7) $$ {\theta _{\rm{r}}} = \int {{\omega _{{\text{slip}}}}{\text{d}}t} $$ (8) $$ {\omega _{{\text{slip}}}} = {\omega _0} - {\omega _{\rm{r}}} $$ (9) 式(6)~(9)中:
${\omega _{\rm{N}}}$ 为额定频率;${\omega _1}$ 为实际角频率;${\omega _0}$ 为内电势角频率;$m$ 为下垂系数,代表了频率调节器f/P的下垂效果;${P_{{\rm{ref}}}}$ 为有功功率的参考值;${P_{\rm{m}}}$ 为有功功率的测量值;${P_{\rm{D}}}$ 为阻尼功率;${D_1}$ 为阻尼系数;${J_\Delta }$ 为虚拟惯性常数;$ {\omega _{{\text{slip}}}} $ 为转差角频率。风机采用单质量块模型。如式(6)表示的风机的虚拟转动方程模拟了同步发电机的惯性特性、下垂特性和阻尼特性。由虚拟转动方程可以看出,当风机输出的额定功率与负荷所需功率不同时,DFIG通过调节自身转速使释放的动能增大或减小,从而抑制有功功率的振荡,提高对频率的支撑作用。
2)电压控制。电压控制的目的得到稳定的定子电压。利用定转子磁链方程和电压方程建立定转子电压之间的控制关系,通过控制定子电压参考值与实际值之间的差得到定转子电压之间的控制方程如下:
$$ \left\{ \begin{array}{l}{u}_{{\rm{s}}}=\text{j}{\omega }_{1}\dfrac{L{}_{{\rm{m}}}}{{L}_{{\rm{r}}}}{\psi }_{{\rm{s}}}+\text{j}{\omega }_{{\rm{N}}}\left({L}_{{\rm{s}}}-\dfrac{{L}_{{\rm{m}}}^{2}}{{L}_{{\rm{r}}}}\right){I}_{{\rm{s}}}\text{,}\\ {u}_{{\rm{r}}}={R}_{{\rm{r}}}{I}_{{\rm{r}}}+\dfrac{{\rm{d}}{\psi }_{{\rm{r}}}}{{\rm{d}}t}+\text{j}{\omega }_{\text{slip}}{\psi }_{{\rm{r}}}\end{array}\right. $$ (10) 利用式(10)可以得到
${u_{\rm{s}}}$ 和${u_{\rm{r}}}$ 之间的关系如下:$$ \left\{ \begin{gathered} {u_{\rm{r}}} = \frac{{{L_{\rm{r}}}}}{{{\text{j}}{\omega _{\rm{N}}}{L_{\rm{m}}}}} \cdot \frac{{{\text{d}}{u_{\rm{s}}}}}{{{\text{d}}t}} + \frac{{{\omega _{{\text{slip}}}}{L_{\rm{r}}}}}{{{\omega _{\rm{r}}}{L_{\rm{m}}}}}{u_{\rm{s}}} + {u_{\Delta {\rm{r}}}}{\text{,}} \\ {u_{\Delta {\rm{r}}}} = {\text{j}}{\omega _{{\text{slip}}}}\left(\frac{{{L_{\rm{s}}}{L_{\rm{r}}}}}{{{L_{\rm{m}}}}} - {L_{\rm{m}}}\right){I_{\rm{s}}} \\ \end{gathered} \right. $$ (11) 式(10)~(11)中,
${u_{\rm{s}}}$ 、${u_{\rm{r}}}$ 分别为定子、转子电压,${I_{\rm{s}}}$ 、${I_{\rm{r}}}$ 分别为定子、转子电流,${R_{\rm{s}}}$ 、${R_{\rm{r}}}$ 分别为定子、转子电阻,${\psi _{\rm{s}}}$ 、${\psi _{\rm{r}}}$ 分别为定子、转子磁链,${L_{\rm{s}}}$ 、${L_{\rm{r}}}$ 、${L_{\rm{m}}}$ 分别为定子自感、转子自感和互感,${I_{\rm{s}}}$ 、${I_{\rm{r}}}$ 分别为定子、转子电流。3.3 附加鲁棒控制器
在黑启动过程中,并网多个发电机可能会因发电机转子间阻尼不足而引起系统发生低频振荡,如果无法抑制低频振荡,可能最终导致系统失稳,造成二次停电危害[23]。储能系统可以通过为其配备功率转换系统输出电压的鲁棒控制实现对储能波动的抑制[24],但不能将其用于黑启动过程。因此考虑在黑启动过程中引入储能输出功率设计附加鲁棒控制器,实现对频率振荡的抑制作用。
鲁棒控制器是利用了总体最小二乘–旋转不变技术辨识出系统降阶模型。TLS–ESPRIT是一种高分辨的信号分析法,其技术优势是运算效率高并且具备较强的抗扰能力;而ESPRIT采集辨识数据形成的自相关矩阵和互相关矩阵所计算出的信号的旋转因子,通过识别选择因子得出采集信号的衰减因子和信号频率,再利用TLS可以求出信号的幅值和相位。附加控制器的设计方法则是利用线性矩阵不等式鲁棒控制方法,最终利用设计出的鲁棒控制器抑制黑启动过程中出现的低频振荡现象。
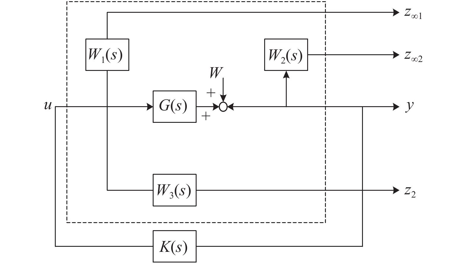
通过线性矩阵不等式设计具有频率抑制效果的鲁棒控制器,图9为考虑加性误差的系统模型。
图9中,K(s)为控制器,G(s)为被控系统,W为未知扰动,u为控制输入,衡量性能的参考输出为
${{\textit{z}}_\infty }(t)$ 、${{\textit{z}}_\infty }(t)$ 、${{\textit{z}}_2}$ ,${W_1}$ 、${W_2}$ 、${W_3}$ 为待定权函数。令${{\textit{z}}_\infty }(t)$ =[${{\textit{z}}_\infty }(t)$ ${{\textit{z}}_\infty }(t)$ ]T,则被控系统G(s)具有状态方程:$$ \left\{ \begin{gathered} {{x}}(t) = {\boldsymbol{A}}{{{x}}_{\text{0}}}(t) + {{\boldsymbol{B}}_{\text{1}}}{\boldsymbol{w}}(t) + {{\boldsymbol{B}}_{\text{2}}}{\boldsymbol{u}}(t){\text{,}} \\ {{\boldsymbol{z}}_\infty }(t) = {{\boldsymbol{C}}_{\text{1}}}{{{x}}_{\text{0}}}(t) + {{\boldsymbol{D}}_{{\text{11}}}}{\boldsymbol{w}}(t) + {{\boldsymbol{D}}_{{\text{12}}}}{\boldsymbol{u}}(t), \\ {{\boldsymbol{z}}_{\text{2}}}(t) = {{\boldsymbol{C}}_{\text{2}}}{{{x}}_{\text{0}}}(t) + {{\boldsymbol{D}}_{{\text{22}}}}{\boldsymbol{u}}(t), \\ {\boldsymbol{y}}(t) = {{\boldsymbol{C}}_{\text{3}}}{{{x}}_{\text{0}}}(t) + {{\boldsymbol{D}}_{{\text{31}}}}{\boldsymbol{w}}(t) + {{\boldsymbol{D}}_{{\text{32}}}}{\boldsymbol{u}}(t) \\ \end{gathered} \right. $$ (12) 式中,
${{x}}(t)$ 、${{{x}}_{\text{0}}}(t)$ 分别表示状态变量导数和状态变量,${\boldsymbol{A}}$ 、${{\boldsymbol{B}}_{\text{1}}}$ 、${{\boldsymbol{B}}_{\text{2}}}$ 、${{\boldsymbol{C}}_{\text{1}}}$ 、${{\boldsymbol{C}}_{\text{2}}}$ 、${{\boldsymbol{C}}_{\text{3}}}$ 、${{\boldsymbol{D}}_{{\text{11}}}}$ 、${D_{{\text{12}}}}$ 、${{\boldsymbol{D}}_{{\text{22}}}}$ 、${{\boldsymbol{D}}_{{\text{31}}}}$ 、${{\boldsymbol{D}}_{{\text{32}}}}$ 分别表示状体矩阵、输入矩阵、鲁棒状态矩阵、控制代价状态矩阵、输出状态矩阵、鲁棒扰动矩阵、鲁棒输出矩阵、扰动输出矩阵、扰动状态矩阵、输出参数矩阵及输出矩阵。根据上述公式可以推导出控制器与系统构成的闭环系统如下:
$$ \left\{ \begin{gathered} {{\boldsymbol{X}}_{\text{1}}}(t) = {{\boldsymbol{A}}^n}{{\boldsymbol{X}}_{\text{2}}}(t) + {{\boldsymbol{B}}^n}{\boldsymbol{w}}(t){\text{,}} \\ {{\boldsymbol{z}}_\infty }(t) = {\boldsymbol{C}}_{\text{1}}^n{{\boldsymbol{X}}_{\text{2}}}(t) + {\boldsymbol{D}}_{\text{1}}^n{\boldsymbol{w}}(t){\text{,}} \\ {{\boldsymbol{z}}_{\text{2}}}(t) = {\boldsymbol{C}}_{\text{2}}^n{{\boldsymbol{X}}_{\text{2}}}(t) + {\boldsymbol{D}}_{\text{2}}^n{\boldsymbol{w}}(t) \\ \end{gathered} \right. $$ (13) 式中,
${{\boldsymbol{X}}_1}(t)$ 、${{\boldsymbol{X}}_{\text{2}}}(t)$ 分别表示状态变量函数的导数和状态变量函数矩阵,${{\boldsymbol{A}}^n}$ 、${{\boldsymbol{B}}^n}$ 、${\boldsymbol{C}}_{\text{1}}^n$ 、${\boldsymbol{C}}_{\text{2}}^n$ 、${\boldsymbol{D}}_{\text{1}}^n$ 、${\boldsymbol{D}}_{\text{2}}^n$ 分别表示状态矩阵函数、输入矩阵函数、鲁棒状态矩阵函数、控制代价矩阵函数、鲁棒扰动矩阵函数及扰动输出矩阵函数。附加鲁棒控制器设计目标为:1)区域极点配置,控制器的引入需保证系统良好的阻尼特性;2)
${H_\infty }$ 性能; 3)${H_2}$ 性能;4)多目标联立。通过以上目标设计的控制器既能够达到阻尼要求的特性,还能够达到更优的综合性能。附加鲁棒控制器设计中,实现控制目标的方式包括在不同振荡形式中加入不同的阻尼;在控制器中加入滤波器,从而降低不同模型的内在影响。控制器输入为受端发电机组转子角速度偏差,设置在电池储能系统有功功率控制处,附加鲁棒控制器的结构如图10所示。图10中,Δω表示转子转速差,M表示中间变量,P表示输入有功功率,Pord表示有功功率整数定值,
$\dfrac{G}{1+sT} $ 表示1阶惯性环节,α表示控制器输出参数。本文通过设计鲁棒控制器抑制黑启动过程中受端多发电机并网过程产生的低频振荡,达到对频率的支撑作用,从而提高系统黑启动过程的可靠性。具体设计方法参考文献[25]。4. 仿真验证
基于PSCAD/EMTDC仿真平台对协调恢复策略进行仿真验证,详细的仿真模型如图11所示,系统的参数设置见表1。
表 1 DFIG仿真参数Table 1 PSCAD parameters of DFIG参数 数值 定子绕组Rs/p.u. 0.006 52 转子绕组Rr/p.u. 0.006 51 定子绕组自感Ls/p.u. 1.156 转子绕组自感Lr/p.u. 1.135 互感Lm/p.u. 1.012 额定容量PN/MW 5 额定电压UN/kV 0.69 额定频率fN/Hz 50 极对数p 3 阻尼系数D 30 虚拟阻抗R1 1 下垂系数m 0.01 虚拟惯性系数J∆ 10 首先,仿真分析风机并网过程,利用外接储能系统启动风机完成并网;随后,仿真风电场内,在风电场整体启动后进行储能系统控制切换过程仿真,该过程中储能系统改变原有控制方式,由风电机组完成系统电压频率支撑;接着,开展受端电网发电机组并网过程仿真。此外,还针对虚拟同步控制与常规控制下黑启动各阶段以及故障阶段的频率波动进行对比仿真,根据频率波动幅值比较两种控制方式在黑启动过程中的优劣。最后,设计附加鲁棒控制器抑制低频振荡,并仿真分析了控制器的抑制效果。采用的风机是一台容量为2 MW,额定电压为0.69 kV的双馈型风机。储能系统的额定容量为25 MW,额定电压为35 kV。针对上述各个时间节点进行了仿真分析。
4.1 风机并网过程仿真分析
黑启动初期先由储能系统建立交流母线电压和频率,并为风电机组提供初始励磁,在2.85 s建立稳定的电压和频率。图12为风机并网过程仿真验证,图12(a)和(b)分别为该过程的频率和电压变化仿真。图12(a)显示风机并网的频率在并网过程中最大升至50.59 Hz,频率波动为1.18%,未超过2%。表明采用虚拟同步控制的风机在并网过程中其频率波动在可接受范围内,可进行后续黑启动过程。图12(b)显示风机并网过程中的交流电压有效值波动最大波动幅值为0.037 p.u.;有效值的波动幅值在允许范围内,表明风机在储能系统的配合下能够有效完成并网任务。
4.2 厂用负荷及发电机并网过程仿真分析
在4.05 s和5.00 s投入风电场内部的厂用负荷和发电机组,辅助其他机组实现偏航、变桨等动作以保障风机自身安全。图13和14分别为风电场内部负荷和厂用发电机的并网过程,图13(a)和(b)分别为并网风电场内部负荷时电网频率和电压的波动,图13(a)显示在负荷并网过程中频率幅值的最大波动为0.12 Hz,图13(b)显示电压有效值最大波动幅值分别为0.12 p.u.。图14(a)和(b)分别表示厂用发电机组并网过程中频率和电压的波动。图14(a)显示频率最大波动幅值为0.037 Hz,图14(b)显示电压有效值最大波动幅值为0.004 p.u.。上述过程中频率和电压波动均未超过最大波动幅值,满足黑启动过程的频率波动要求。
4.3 控制方式切换过程仿真分析
图15(a)和(b)分别为切换控制系统时的频率和电压有效值的变化。切换储能系统控制方式后在第7 s时切换储能系统控制策略,将储能系统由V/f控制切换为P/Q控制,此时由采用虚拟同步控制的风电机组稳定交流系统的电压和频率。图15(a)显示在切换过程中频率的最大波动幅值为0.96 Hz,经过0.2 s的振荡后频率恢复稳定,表明采用虚拟同步控制的DFIG能够有效地稳定交流系统的频率,说明配置了储能系统的风电场能够成为后续黑启动过程的启动电源,为后续黑启动过程奠定基础。图15(b)显示储能系统控制切换过程的电压波动最大波动幅值为0.06 p.u.,体现了虚拟同步控制下的DFIG对交流系统的电压支撑作用。
4.4 受端发电机组并网过程仿真分析
在9.00 s并入受端待启动的发电机组,体现了风储联合系统参与受端电网黑启动的可行性。图16(a)和(b)分别为受端发电机组并网过程中频率和电压的波动变化。图16(a)显示电网频率最大波动幅值为0.11 Hz,波动大小在可接受范围内;经过0.1 s的振荡后,频率稳定。这个过程体现了风储联合系统在参与受端电网黑启动过程的可靠性,各阶段的频率波动都在允许范围内。图16(b)显示受端电网中发电机并网过程的电压波动最大波动幅值为0.0041 p.u.,经过0.3 s后交流电压稳定,表明受端发电机成功并网,完成黑启动过程。上述各阶段的交流电压波动均在允许范围内。
4.5 恢复策略对比验证
图17为两种控制策略下,黑启动各阶段系统频率波动变化对比仿真。图17(a)中采用常规控制策略的风机在并网过程中频率最大波动幅值为51.26 Hz,而虚拟同步控制策略的频率波动最大为50.60 Hz,后者将风机并网过程的频率振荡幅值降低了0.66 Hz。
图17(b)中常规控制与虚拟同步控制在负荷并网时的频率波动最大幅值分别为50.16 Hz和50.12 Hz,后者将负荷并网过程的频率振荡幅值降低了0.40 Hz。图17(c)中常规控制与虚拟同步控制在切换控制模式时的最大波动幅值分别为49.09 Hz和48.52 Hz,后者将切换控制模式过程的频率振荡幅值降低了0.57 Hz。根据上述过程的对比,虚拟同步控制在黑启动过程中相较于常规控制有更好的频率支撑能力。图17(d)中虚拟同步控制下的系统频率波动幅值为50.076 Hz,相较于常规控制频率波动幅值降低了3.7%。
虚拟同步控制因模拟同步发电机而具备了惯性特性和阻尼特性,通过式(6)可知,惯性控制过程与下垂控制系数m有关,通过改变m的大小可以实现控制性能的优化。图18仿真了切换控制过程中系统频率振荡幅值与下垂系数m之间的关系。通过仿真得出结论:下垂系数的改变会直接影响频率振荡的幅值,振荡幅值随之下垂系数的减小而减小,说明在黑启动过程中选择较小的下垂系数能够有效提高黑启动的可靠性和稳定性。
为体现虚拟同步控制在弱交流系统中的优势,在交流系统母线处设置故障,故障时虚拟同步控制与常规控制效果对比如图19所示。图19(a)、(b)和(c)分别为故障过程中在不同控制策略下的频率、电压以及功率波动仿真。
图19(a)显示频率在虚拟同步控制下的最大波动幅值为46.01 Hz,相较下垂控制提高了12.4%;图19(b)显示交流电压在虚拟同步控制下的最大波动幅值为0.92 p.u.,相较于下垂控制提高了27.8%;图19(c)中PG、QG分别表示储能系统出口处有功功率和无功功率,下标1表示虚拟同步控制,下标2表示常规控制。在弱交流系统下,虚拟同步控制和常规控制对系统故障的支撑作用。由图19看出,采用虚拟同步控制的风电机组在系统发生故障时,具有更好的支撑效果。
4.6 鲁棒控制验证
在10.6 s时刻,将采用P/Q控制的储能系统的有功功率参考值
${P_{{\rm{ref}}}}$ 由1.00 p.u. 增加至1.03 p.u.,对于已启动的厂用发电机和受端发电机组的转子角速度差的抑制效果如图20所示。本文将文献[25]应用于仿真验证过程中,通过仿真得出鲁棒控制器对于黑启动过程出现的低频振荡有良好的抑制措施。表明在黑启动过程中加入附加鲁棒控制器能够提高黑启动过程的稳定性。5. 结 论
本文针对双馈型风电场,提出了一种基于外接储能系统的风储联合系统参与受端电网黑启动的协调恢复策略,使得风电机组在系统全黑的情况下具备了启动并网与协调恢复的能力。得出结论如下:
1)本文提出的风储联合参与黑启动的协调恢复策略能够有效完成受端系统黑启动任务。利用外接储能系统实现风机并网,并通过在风机转子侧换流器使用虚拟同步控制,使得风机具备了支持系统频率和电压的能力。
2)相较于常规控制,虚拟同步控制有效抑制了在黑启动过程中各阶段交流系统的频率和电压波动,提高了黑启动过程的安全性,为受端电网的启动奠定基础。
3)基于储能的附加鲁棒控制器,可有效抑制黑启动过程中出现的低频振荡,提高了黑启动过程的可靠性和安全性。
-
表 1 DFIG仿真参数
Table 1 PSCAD parameters of DFIG
参数 数值 定子绕组Rs/p.u. 0.006 52 转子绕组Rr/p.u. 0.006 51 定子绕组自感Ls/p.u. 1.156 转子绕组自感Lr/p.u. 1.135 互感Lm/p.u. 1.012 额定容量PN/MW 5 额定电压UN/kV 0.69 额定频率fN/Hz 50 极对数p 3 阻尼系数D 30 虚拟阻抗R1 1 下垂系数m 0.01 虚拟惯性系数J∆ 10 -
[1] 万雄彪,陈晶,吴水军.水电厂黑启动关键技术研究[J].云南电力技术,2021(5):54–57. doi: 10.3969/j.issn.1006-7345.2021.05.013 Wan Xiongbiao,Chen Jing,Wu Shuijun.Research on key technology of black start in hydropower plant[J].Yunnan Electric Power,2021(5):54–57 doi: 10.3969/j.issn.1006-7345.2021.05.013 [2] 刘洪波,彭晓宇,张崇,等.风电参与电力系统调频控制策略综述[J].电力自动化设备,2021,41(11):81–92. doi: 10.16081/j.epae.202107029 Liu Hongbo,Peng Xiaoyu,Zhang Chong,et al.Overview of wind power participating in frequency regulation control strategy for power system[J].Electric Power Automation Equipment,2021,41(11):81–92 doi: 10.16081/j.epae.202107029 [3] Lalor G,Mullane A,O’Malley M.Frequency control and wind turbine technologies[J].IEEE Transactions on Power Systems,2005,20(4):1905–1913. doi: 10.1109/TPWRS.2005.857393 [4] 邱松,梁干桥.我国出现弃风限电现象的原因及缓解措施[J].地理教育,2020(增刊1):161–162. doi: 10.3969/j.issn.1005-5207.2020.z1.088 [5] 高明杰,惠东,高宗和,等.国家风光储输示范工程介绍及其典型运行模式分析[J].电力系统自动化,2013,37(1):59–64. doi: 10.7500/AEPS201208193 Gao Mingjie,Hui Dong,Gao Zonghe,et al.Presentation of national wind/photovoltaic/energy storage and transmission demonstration project and analysis of typical operation modes[J].Automation of Electric Power Systems,2013,37(1):59–64 doi: 10.7500/AEPS201208193 [6] 袁小明,程时杰,文劲宇.储能技术在解决大规模风电并网问题中的应用前景分析[J].电力系统自动化,2013,37(1):14–18. doi: 10.7500/AEPS201210050 Yuan Xiaoming,Chen Shijie,Wen Jinyu.Prospects analysis of energy storage application in grid integration of large-scale wind power[J].Automatic of Electric Power System,2013,37(1):14–18 doi: 10.7500/AEPS201210050 [7] 汪海蛟,江全元.应用于平抑风电功率波动的储能系统控制与配置综述[J].电力系统自动化,2014,38(19):126–135. doi: 10.7500/AEPS20140214008 Wang Haijiao,Jiang Quanyuan.An overview of control and configuration of energy storage system used for wind power fluctuation mitigation[J].Automation of Electric Power Systems,2014,38(19):126–135 doi: 10.7500/AEPS20140214008 [8] 蒋平,熊华川.混合储能系统平抑风力发电输出功率波动控制方法设计[J].电力系统自动化,2013,37(1):122–127. doi: 10.7500/AEPS201203198 Jiang Ping,Xiong Huachuan.A control scheme design for smoothing wind power fluctuation with hybrid energy storage system[J].Automation of Electric Power Systems,2013,37(1):122–127 doi: 10.7500/AEPS201203198 [9] Li Xiangjun,Hui Dong,Wu Li,et al.Control strategy of battery state of charge for wind/battery hybrid power system[C]//Proceedings of the 2010 IEEE International Symposium on Industrial Electronics,Bari:IEEE,2010:2723–2726. [10] Aktarujjaman M,Kashem M A,Negnevitsky M,et al.Black start with dfig based distributed generation after major emergencies[C]//Proceedings of the 2006 International Conference on Power Electronic,Drives and Energy Systems,New Delhi:IEEE,2006:1–6. [11] 万玉良,杜平,吴坚.储能型风电场作为电网黑启动电源的可行性分析[J].现代工业经济和信息化,2017(15):93–96. doi: 10.16525/j.cnki.14-1362/n.2017.15.37 Wan Yuliang,Du Ping,Wu Jian,et al.Feasibility analysis of energy storage type wind farm as black start power source of power grid[J].Modern Industrial Economy and Informationization,2017(15):93–96 doi: 10.16525/j.cnki.14-1362/n.2017.15.37 [12] 陈虹妃,张宸宇,缪恵宇,等.虚拟同步机控制策略与下垂控制的比较[J].电器与能效管理技术,2018(15):25–31. doi: 10.16628/j.cnki.2095-8188.2018.15.004 Chen Hongfei,Zhang Chenyu,Miao Huiyu,et al.Comparison between virtual synchronous and droop control[J].Electrical & Energy Management Technology,2018(15):25–31 doi: 10.16628/j.cnki.2095-8188.2018.15.004 [13] 李志军,贾学岩,王丽娟,等.基于改进惯量阻尼特性的VSG控制策略[J].太阳能学报,2021,42(7):78–85. doi: 10.19912/j.0254-0096.tynxb.2019-0434 Li Zhijun,Jia Xueyan,Wang Lijuan,et al.Improved virtual synchronous generator based on enhanced inertia and damping characteristics[J].Acta Energiae Solaris Sinica,2021,42(7):78–85 doi: 10.19912/j.0254-0096.tynxb.2019-0434 [14] Visscher K,de Haan S W H.Virtual synchronous machines (VSG’s) for frequency stabilisation in future grids with a significant share of decentralized generation[C]//CIRED Seminar 2008:SmartGrids for Distribution,Frankfurt:IET,2008:1–4. [15] Zhong Qingchang,Weiss G.Synchronverters:Inverters that mimic synchronous generators[J].IEEE Transactions on Industrial Electronics,2011,58(4):1259–1267. doi: 10.1109/TIE.2010.2048839 [16] 张琛,蔡旭,李征.具有自主电网同步与弱网稳定运行能力的双馈风电机组控制方法[J].中国电机工程学报,2017,37(2):476–486. doi: 10.13334/j.0258-8013.pcsee.161620 Zhang Chen,Cai Xu,Li Zheng.Control of DFIG-based wind turbines with the capability of automatic grid-synchronization and stable operation under weak grid condition[J].Proceedings of the CSEE,2017,37(2):476–486 doi: 10.13334/j.0258-8013.pcsee.161620 [17] 刘力卿,杜平,万玉良,等.储能型风电场作为局域电网黑启动电源的可行性探讨[J].电力系统自动化,2016,40(21):210–216. doi: 10.7500/AEPS20151120002 Liu Liqing,Du Ping,Wan Yuliang,et al.Feasibility discussion on using storage-based wind farm as black-start power source in local power grid[J].Automation of Electric Power Systems,2016,40(21):210–216 doi: 10.7500/AEPS20151120002 [18] 朱凌燕,潘再平,许国东.采用改进虚拟同步控制的双馈型风电场黑启动方案[J].太阳能学报,2021,42(4):162–167. doi: 10.19912/j.0254-0096.tynxb.2018-0458 Zhu Lingyan,Pan Zaiping,Xu Guodong.Black start scheme of dfig-based wind farm adopting improved virtual synchronous control[J].Acta Energiae Solaris Sinica,2021,42(4):162–167 doi: 10.19912/j.0254-0096.tynxb.2018-0458 [19] 边晓燕,印良云,丁炀,等.基于DFIG虚拟惯量与下垂控制的微电网调频优化[J].太阳能学报,2021,42(9):452–460. doi: 10.19912/j.0254-0096.tynxb.2019-0619 Bian Xiaoyan,Yin Liangyun,Ding Yang,et al.Micro-grid frequency modulation optimization based on dfig virtual inertia and droop control[J].Acta Energiae Solaris Sinica,2021,42(9):452–460 doi: 10.19912/j.0254-0096.tynxb.2019-0619 [20] 刘其辉.变速恒频风力发电系统运行与控制研究[D].杭州:浙江大学,2005. Liu Qihui.The investigation of operation and control for a variable-speed constant-frequency wind power generation system[D].Hangzhou:Zhejiang University,2005. [21] 彭思敏.电池储能系统及其在风—储孤网中的运行与控制[D].上海:上海交通大学,2013. Peng Simin.Battery energy storage system and its operation and control in the isolated grid based on wind-battery[D].Shanghai:Shanghai Jiao Tong University,2013. [22] 刘强,石立宝,倪以信,等.电力系统恢复控制的网络重构智能优化策略[J].中国电机工程学报,2009,29(13):8–15. doi: 10.3321/j.issn:0258-8013.2009.13.002 Liu Qiang,Shi Libao,Ni Yixin,et al.Intelligent optimization strategy of the power grid reconfiguration during power system restoration[J].Proceedings of the CSEE,2009,29(13):8–15 doi: 10.3321/j.issn:0258-8013.2009.13.002 [23] 付强,杜文娟,王海风.多虚拟同步发电机接入对电力系统机电振荡模式的影响[J].中国电机工程学报,2018,38(19):5615–5624. doi: 10.13334/j.0258-8013.pcsee.172371 Fu Qiang,Du Wenjuan,Wang Haifeng.Influence of multi virtual synchronous generators on power system electromechanical oscillation mode[J].Proceedings of the CSEE,2018,38(19):5615–5624 doi: 10.13334/j.0258-8013.pcsee.172371 [24] 高娟,秦岭,茅靖峰,等.分体式储能VSG功率转换系统输出电压鲁棒控制器设计[J].电网技术,2022,46(1):213–221. doi: 10.13335/j.1000-3673.pst.2021.0125 Gao Juan,Qin Ling,Mao Jingfeng,et al.Output voltage robust controller design for the power converter system in the assembled VSG[J].Power System Technology,2022,46(1):213–221 doi: 10.13335/j.1000-3673.pst.2021.0125 [25] 李保宏,张英敏,李兴源,等.多通道高压直流附加鲁棒控制器设计[J].电网技术,2014,38(4):858–864. doi: 10.13335/j.1000-3673.pst.2014.04.006 Li Baohong,Zhang Yingmin,Li Xingyuan,et al.Design of multi-channel additional robust controller for HVDC transmission system[J].Power System Technology,2014,38(4):858–864 doi: 10.13335/j.1000-3673.pst.2014.04.006
下载:




















